EasyManua.ls Logo

Viking VCFB5301 - Schematics; 30 Freezer Schematic Diagrams

Viking VCFB5301
55 pages
Print Icon
To Next Page IconTo Next Page
To Next Page IconTo Next Page
To Previous Page IconTo Previous Page
To Previous Page IconTo Previous Page
Loading...
Schematic
48 ©2012 Viking Preferred Service
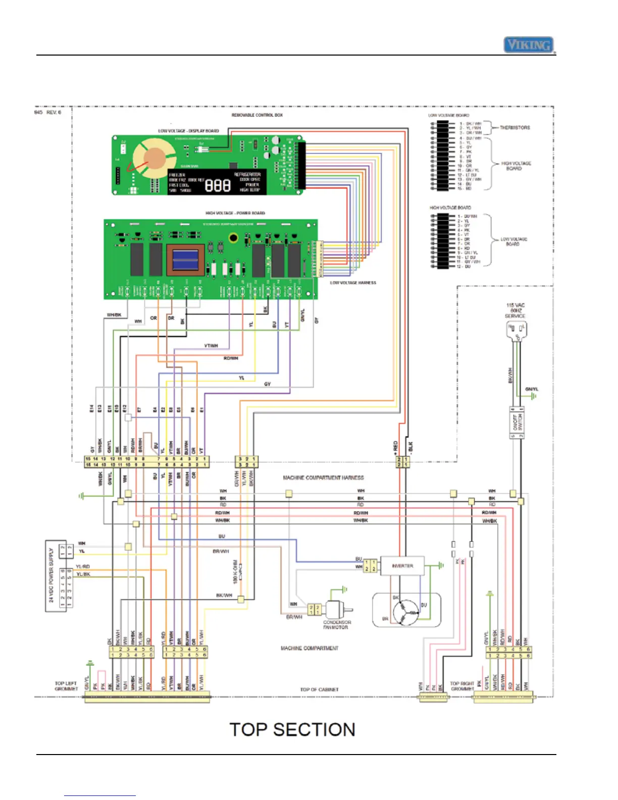
30" All Freezer Schematic, Upper Section

Table of Contents

Other manuals for Viking VCFB5301

Related product manuals