EasyManua.ls Logo

Viking VCFB5301 - Wiring 36 Freezer

Viking VCFB5301
55 pages
Print Icon
To Previous Page IconTo Previous Page
To Previous Page IconTo Previous Page
Loading...
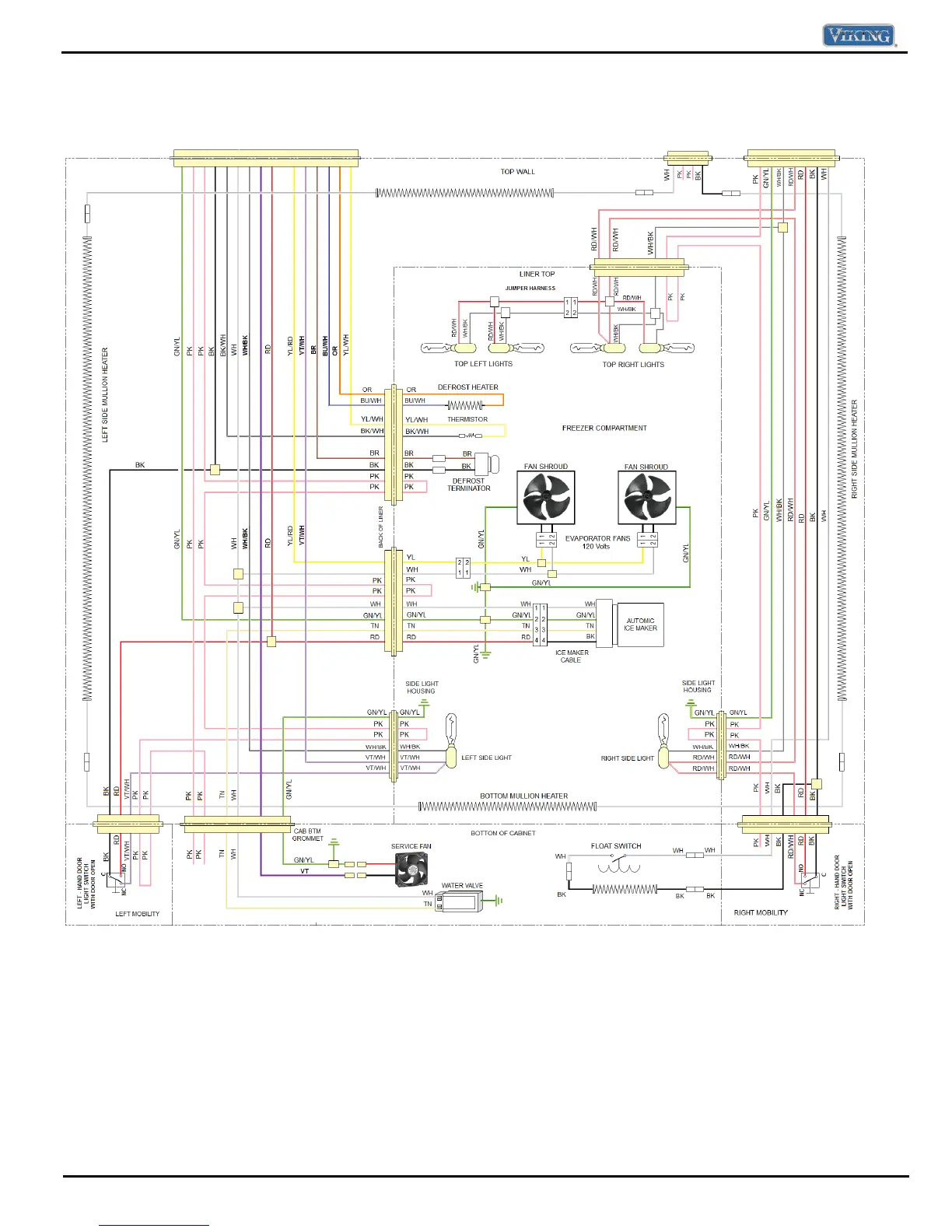
Wiring Diagrams
© 2012 Viking Preferred Service 55
LOWER SECTION
WIRING - 36"

Table of Contents

Other manuals for Viking VCFB5301

Related product manuals