EasyManua.ls Logo

Viking VCFB5301 - 36 Freezer Wiring Diagram

Viking VCFB5301
55 pages
Print Icon
To Next Page IconTo Next Page
To Next Page IconTo Next Page
To Previous Page IconTo Previous Page
To Previous Page IconTo Previous Page
Loading...
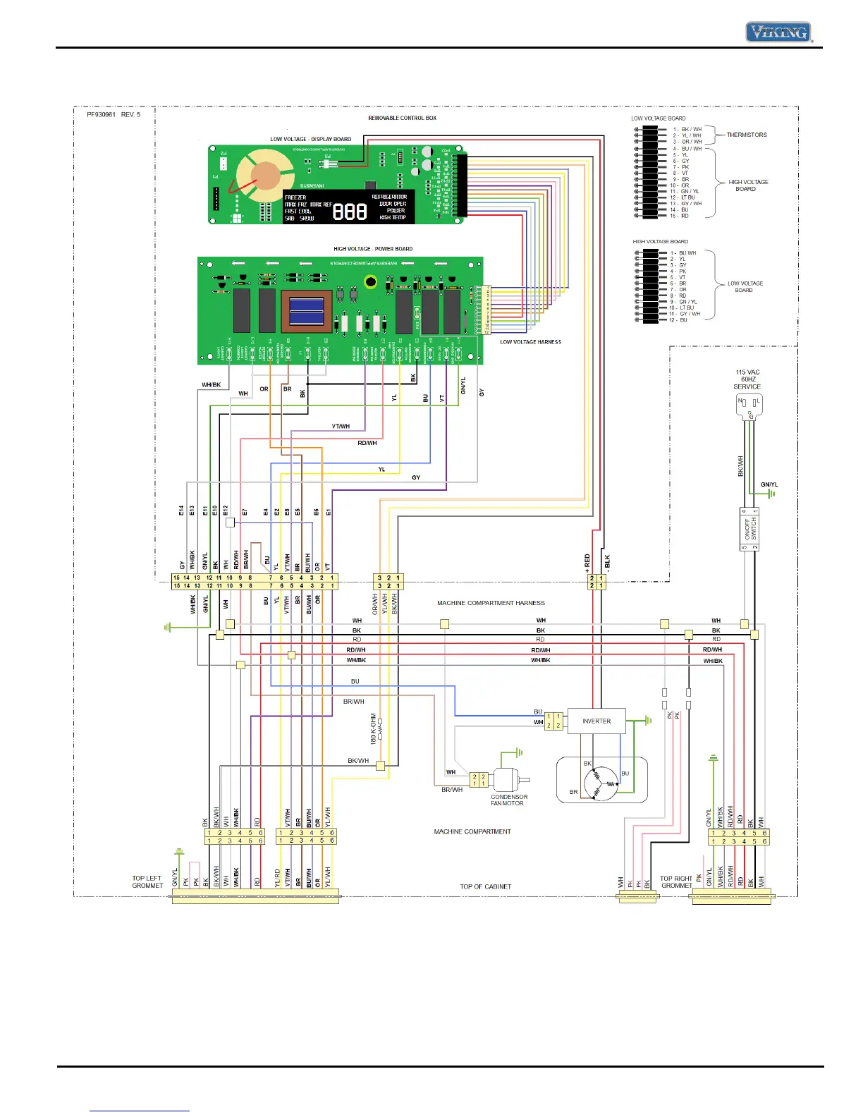
Wiring Diagrams
54 © 2012 Viking Preferred Service
UPPER SECTION
WIRING - 36"

Table of Contents

Other manuals for Viking VCFB5301

Related product manuals