EasyManua.ls Logo

Volvo Penta TAMD72P - Page 84

Volvo Penta TAMD72P
108 pages
Print Icon
To Next Page IconTo Next Page
To Next Page IconTo Next Page
To Previous Page IconTo Previous Page
To Previous Page IconTo Previous Page
Loading...
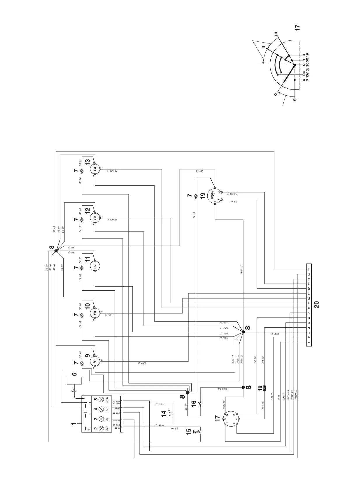
TAMD63L-A, TAMD63P-A, TAMD71B, TAMD72P-A, TAMD72WJ-A
Instrument kit for Pilot house
Spring loaded
Spring loaded
1. Control module (alarm)
2. Warning light, engine coolant temperature
(ECT)
3. Warning light, oil pressure
4. Warning lamp, charging
5. Control lamp, pre-heating (TAMD71B)
6. Connector for connecting extra
warning display (accessory)
7. Instrument lighting
8. Connector (cannot be opened)
9. Engine coolant temperature (ECT) gauge
10. Oil pressure gauge
11. Voltmeter
12. Turbo charging pressure gauge
13. Oil pressure gauge, reverse gear
14. Alarm
15. Alarm test/acknowledgement switch
16. Instrument lighting switch
17. Key switch
18. Connector for neutral position switch, if fitted
19. Tachometer with built-in hours run meter
20. 16-pin connector

Related product manuals