EasyManua.ls Logo

Wartsila 46DF - Page 100

Wartsila 46DF
242 pages
Print Icon
To Next Page IconTo Next Page
To Next Page IconTo Next Page
To Previous Page IconTo Previous Page
To Previous Page IconTo Previous Page
Loading...
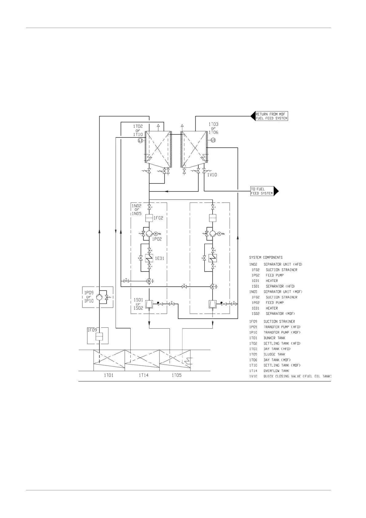
Feed pump (1P02)
Pre-heater (1E01)
Sludge tank (1T05)
Separator (1S01/1S02)
Sludge pump
Control cabinets including motor starters and monitoring
Fig 6-13 Fuel transfer and separating system (V76F6626G)
Separator feed pumps (1P02)
Feed pumps should be dimensioned for the actual fuel quality and recommended throughput
of the separator. The pump should be protected by a suction strainer (mesh size about 0.5
mm)
An approved system for control of the fuel feed rate to the separator is required.
MDFHFODesign data:
0.5 MPa (5 bar)0.5 MPa (5 bar)Design pressure
6-30 DBAD209883
Wärtsilä 46DF Product Guide6. Fuel System

Table of Contents

Related product manuals