EasyManua.ls Logo

Wartsila 46DF - Page 86

Wartsila 46DF
242 pages
Print Icon
To Next Page IconTo Next Page
To Next Page IconTo Next Page
To Previous Page IconTo Previous Page
To Previous Page IconTo Previous Page
Loading...
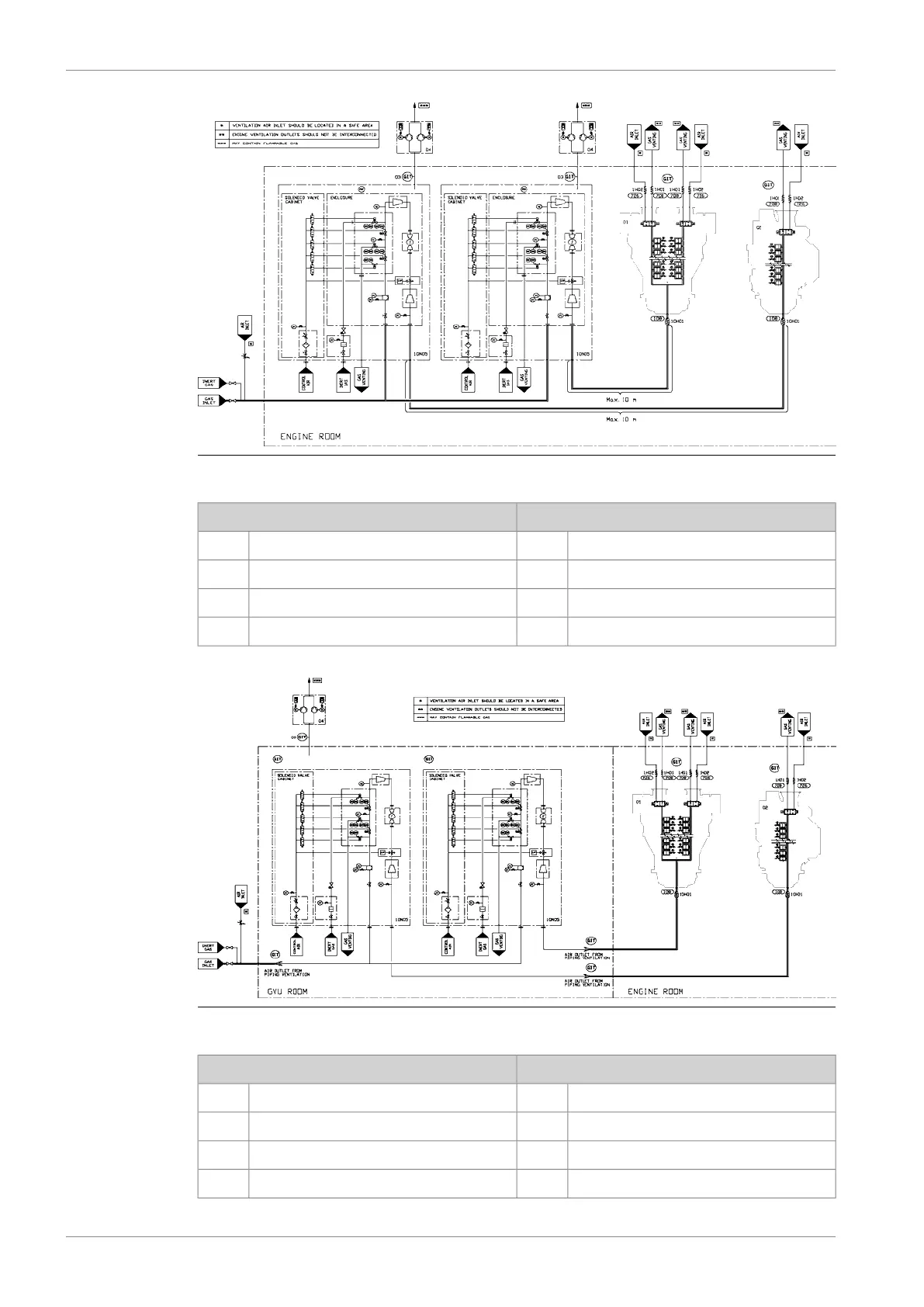
Fig 6-5 External fuel gas system GVU with enclouse (DAAF366889)
Pipe connectionsSystem components
Gas inlet108Gas detector03
Safety ventilation708Gas double wall system ventilation fan04
Air inlet to double wall gas system726Gas valve unit10N05
Flexible pipe connections for DF engines10H01
Fig 6-6 External fuel gas system GVU without enclouse with cabinet (DAAF366890)
Pipe connectionsSystem components
Gas inlet108Gas detector03
Safety ventilation708Gas double wall system ventilation fan04
Air inlet to double wall gas system726Gas valve unit10N05
Flexible pipe connections for DF engines10H01
6-16 DBAD209883
Wärtsilä 46DF Product Guide6. Fuel System

Table of Contents

Related product manuals