EasyManua.ls Logo

Wavetek 3000 - Page 147

Wavetek 3000
225 pages
Print Icon
To Next Page IconTo Next Page
To Next Page IconTo Next Page
To Previous Page IconTo Previous Page
To Previous Page IconTo Previous Page
Loading...
7
T/
a
a
7
of
rz/
t0
1
&0
ex
COX
.OINr
.?24
/O
R27
47K
/a
22K
ro
Ml+=
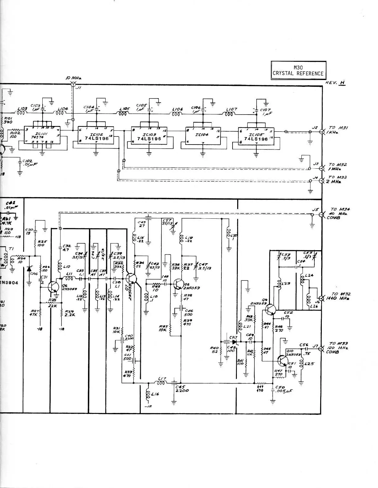
M30
CRYSTAL
REFERENCE
I
J3
REV
.
H
ro
Aa3/
/l(H&
TOA932
/Mown
TO
M33
2
MHs
TO
M3*
40
MNz
COMB
TO
N132
/440
MHz
TO
.H33
/2o
MHz
COMB

Table of Contents

Related product manuals