EasyManua.ls Logo

Wavetek 3000 - M33 - Narrow Oscillator Lock; Phase Detector Function; Mixer Circuit; Reference Switch Function

Wavetek 3000
225 pages
Print Icon
To Next Page IconTo Next Page
To Next Page IconTo Next Page
To Previous Page IconTo Previous Page
To Previous Page IconTo Previous Page
Loading...
1440
MHZ
/ZOO
Mllz
~/20
COMB
M30)
VCO
BAS
9W)
/
.
X
-2
.
.T
M//:
FlrOM
16429
2
MNz
,-?OM
M30
+Z
3v
FOR
CW
AND
AM
1WGOE
.S
0
-7
.av
REPEATING
ANALOG
TUNING
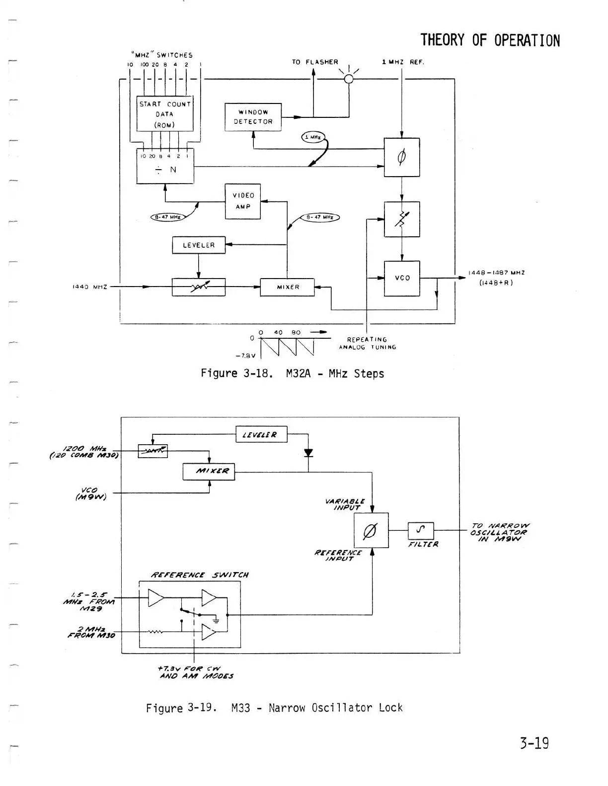
Figure
3-18
.
M32A
-
MHz
Steps
LEvZLER
u
Ml
XEI?
A'EFEFrENCE
SW/
rcm
VAA
7
1ABL
E
/POUF
A'EFE,PFNCE
IMR4V
r
Figure
3-19
.
M33
-
NarrowOscillator
Lock
THEORY
OF
OPERATION
r11-
TCR
1448-1487
MHZ
(1448+R
TO
NARROW
OSC1L
L
A
TOR
/N
M9W
3-19

Table of Contents

Related product manuals