EasyManua.ls Logo

Wavetek 3000 - Page 150

Wavetek 3000
225 pages
Print Icon
To Next Page IconTo Next Page
To Next Page IconTo Next Page
To Previous Page IconTo Previous Page
To Previous Page IconTo Previous Page
Loading...
4M
~
FM
SOUL
AT/O/V
vERIVIE4
R44
/GK
-
/B
-Z
-
,'
3A
Mc
14
S&
ACCURACY
CRS
C
.44
R34
'
1
Cl2
FM
FM
X/00
,'
:
?4,5
-
-F-9
CQ3
2N3b34A
MOO!/LATlON
~MOOE
52
1
AM
1
1
x/
1
R4
1
~
/K
1
4
.7K
R46
l78K
-i
,R49
/K
(//Y7"
OCK
f74g
/
.
SK
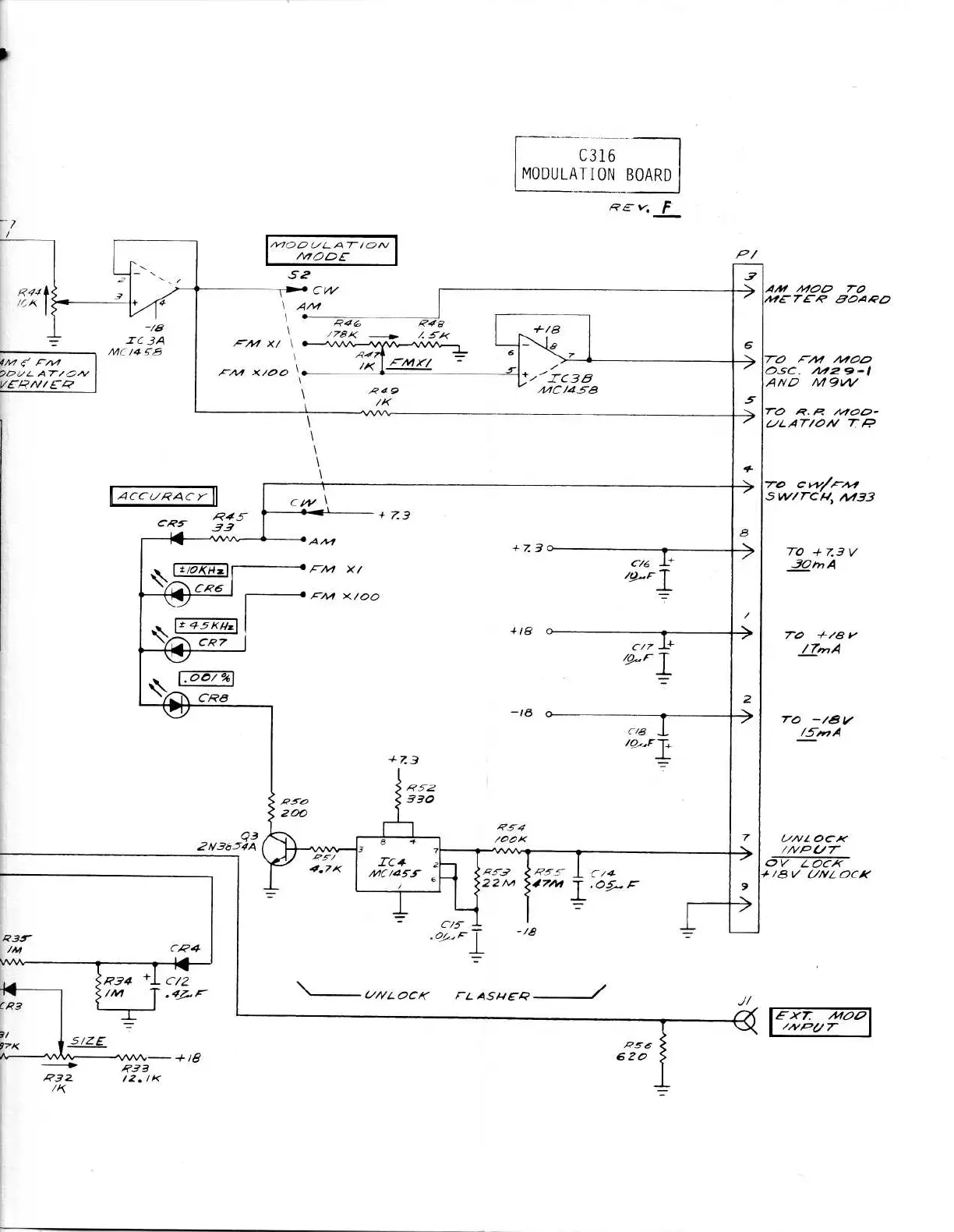
C316
MODULATION
BOARD
RED
,'
-
L
ASNER
,456
620
P/
AM
MOO
TO
AM
-
TEAP
BOARD
TO
,rM
MOO
0
.5C
.
/7"129-/
AND
M
9
VV
7
-
0
R
.
P
.
/400-
61L
AT1O/V
T
P
.
TO
C
Wl,-A
f
5
W/TCN,
M
.33
TO
+
7
.
.3
V
30t"
A
TO
/
7
."A
TO
-
/
B
(/
1Si"A
(/1VL
OC/C
//V,P
UT
O
V
L
CC,/<
Rs
._-
1
C/a
I
I+l8
V
(/1VL
OCK
471W
T
.
OS
.
F
EXT
MOO

Table of Contents

Related product manuals