EasyManua.ls Logo

Wavetek 3000 - Page 167

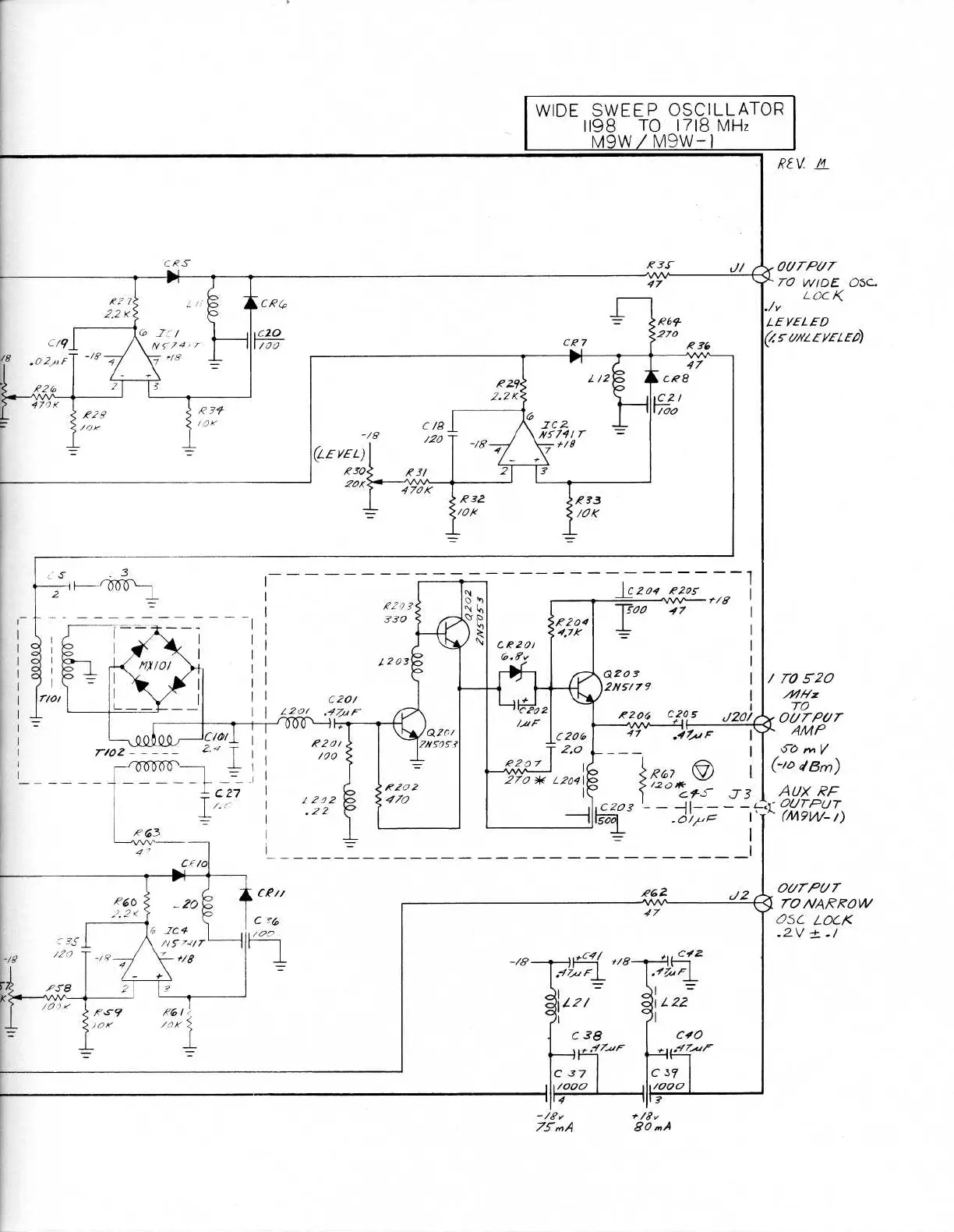
Wavetek 3000
225 pages
Print Icon
To Next Page IconTo Next Page
To Next Page IconTo Next Page
To Previous Page IconTo Previous Page
To Previous Page IconTo Previous Page
Loading...
4
k63
L
201
e2o1
/00
1203
------------
I
I
WIDE
SWEEP
OSCILLATOR
1198
TO
1718
MHz
M9W/
MJW-1
47
.
13s
-
,f206
C205
47
97
f
~4z
~
,
c4/
t
/a
,97u
,
97,,
F
-
I
I
L?l
I
L22
I
I
C
3$
~
~47
.uF
Ic-37
ICS9
/000
4
l
3
-/8v f/8v
7S
-
,"A
80
.A
f/
2
le&
7
120
c9~s
,T3
1
AUX
RF
OUTPUT
.ol,~
.~F
I
T
(M9W--/)
OUTPUT
TO
NARR0
W
D5
C
LOCK
_2V±
./

Table of Contents

Related product manuals