EasyManua.ls Logo

Wavetek 3000 - Page 208

Wavetek 3000
225 pages
Print Icon
To Next Page IconTo Next Page
To Next Page IconTo Next Page
To Previous Page IconTo Previous Page
To Previous Page IconTo Previous Page
Loading...
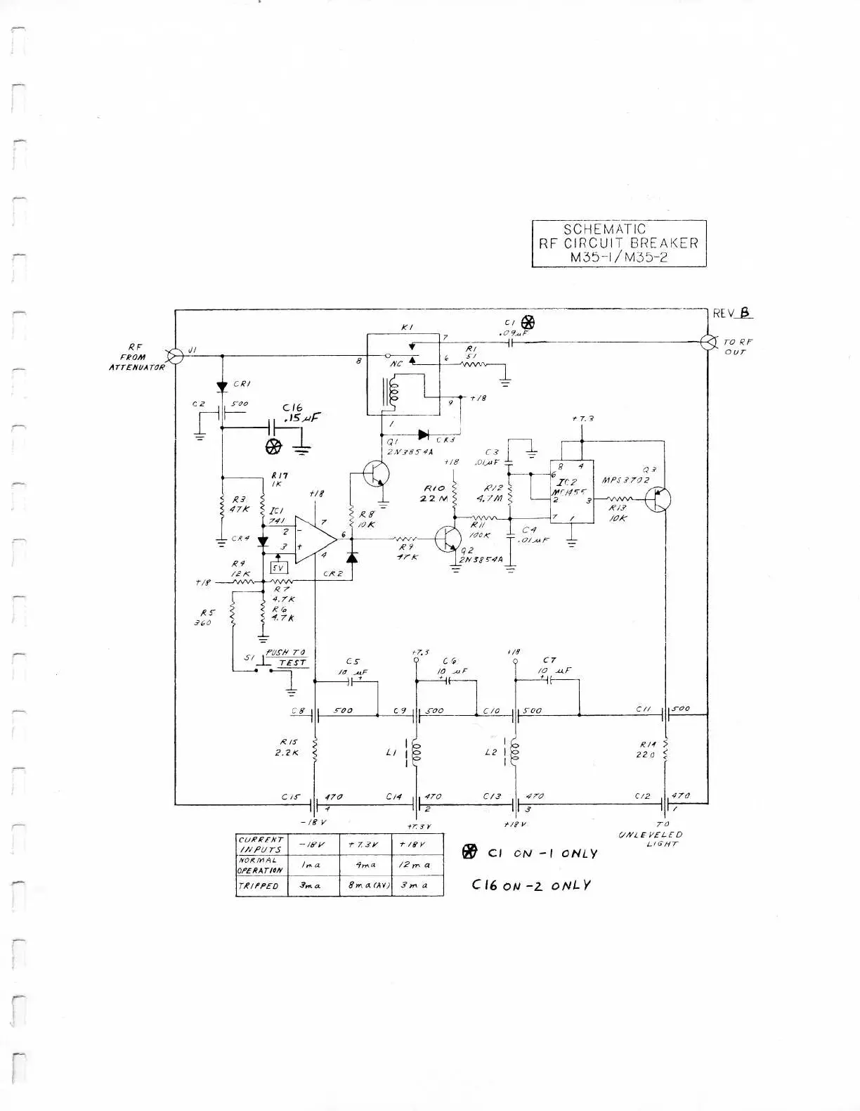
SCHEMATIC
RF
CIRCUIT
BREAKER
M35-1/M35-2
RE
v
J
S
TO
RF
OUT
CURRENT
t
Z3V
t/BY
III
PUTS
NORMAL
Im
a
9Ma
1
.2
OPERATION
TRIPPED
3m
a
8+nA(AV)

Table of Contents

Related product manuals