EasyManua.ls Logo

Wavetek 3000 - Page 221

Wavetek 3000
225 pages
Print Icon
To Next Page IconTo Next Page
To Next Page IconTo Next Page
To Previous Page IconTo Previous Page
To Previous Page IconTo Previous Page
Loading...
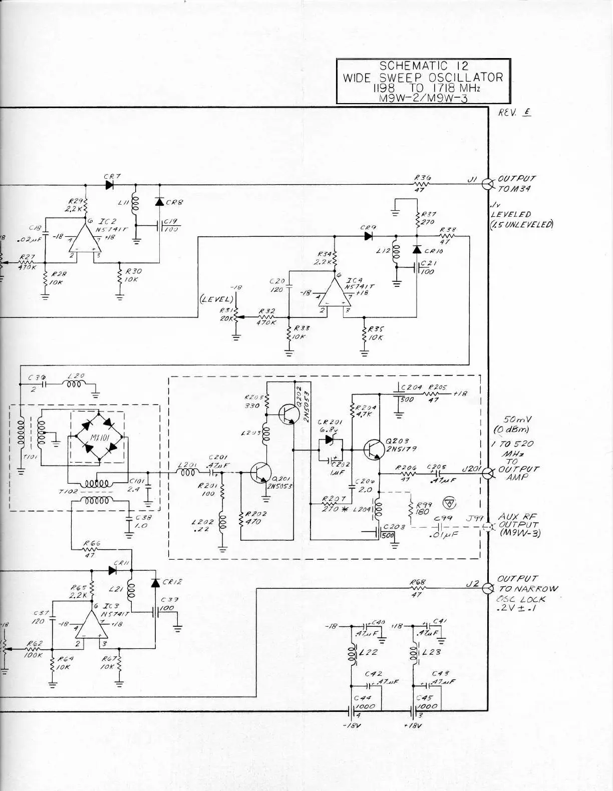
CR7
,P
33
lOfr
SCHEMATIC
12
WIDE
SWEEP
OSCILLATOR
1198
TO
1718
MHz
M9W
-
2/M9W
-3
~P68
47
97
C
.1/0
CZ/
~/oo
2
R99
l80
,-99
7991
AI
UX
RF
OUTPUT
.OluF
I
(Mgw--3)
1
O(/TRUT
TO
IVAl~IZO
W
cl~
C
LOCK
_2V±
_/

Table of Contents

Related product manuals