EasyManua.ls Logo

Wega Espresso Coffee Machine - EPU Version Electrical Diagram

Wega Espresso Coffee Machine
104 pages
Print Icon
To Next Page IconTo Next Page
To Next Page IconTo Next Page
To Previous Page IconTo Previous Page
To Previous Page IconTo Previous Page
Loading...
espresso coffee machine - electrical diagrams
R
ELE
7
English
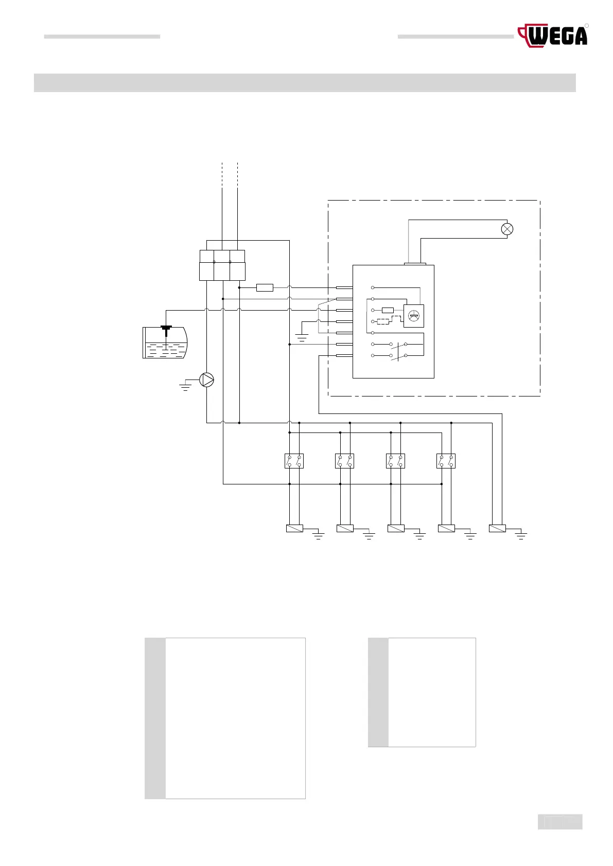
4. Electrical diagram version EPU
LED
CT
BI
FU
RO
NE
GV
1
2
4
6
8
9
10
RL30
E1
GV
E2
GV
E3
GV
E4
GV GV
EC
MP
I1
I2 I3 I4
BLMA
NE
BL
BI BI BI BI
BI BI BI BI
RO RO RO RO
BI
NE
BI
NE
NE
SL
CAL
BI White
BL Blue
GV Yellow-green
MA Brown
NE Black
RO Red
CAL Boiler
CT Power supply connector
EC Boiler filling solenoid valve
E... Group solenoid valve
FU Fuse
I... Delivery switch...
MP Motor pump
RL30
Electronic control unit RL30
SL Level probe

Table of Contents

Other manuals for Wega Espresso Coffee Machine

Related product manuals