EasyManua.ls Logo

Wega Espresso Coffee Machine - EVDT Version Electrical Diagram

Wega Espresso Coffee Machine
104 pages
Print Icon
To Next Page IconTo Next Page
To Next Page IconTo Next Page
To Previous Page IconTo Previous Page
To Previous Page IconTo Previous Page
Loading...
espresso coffee machine - electrical diagrams
ELE
8
R
English
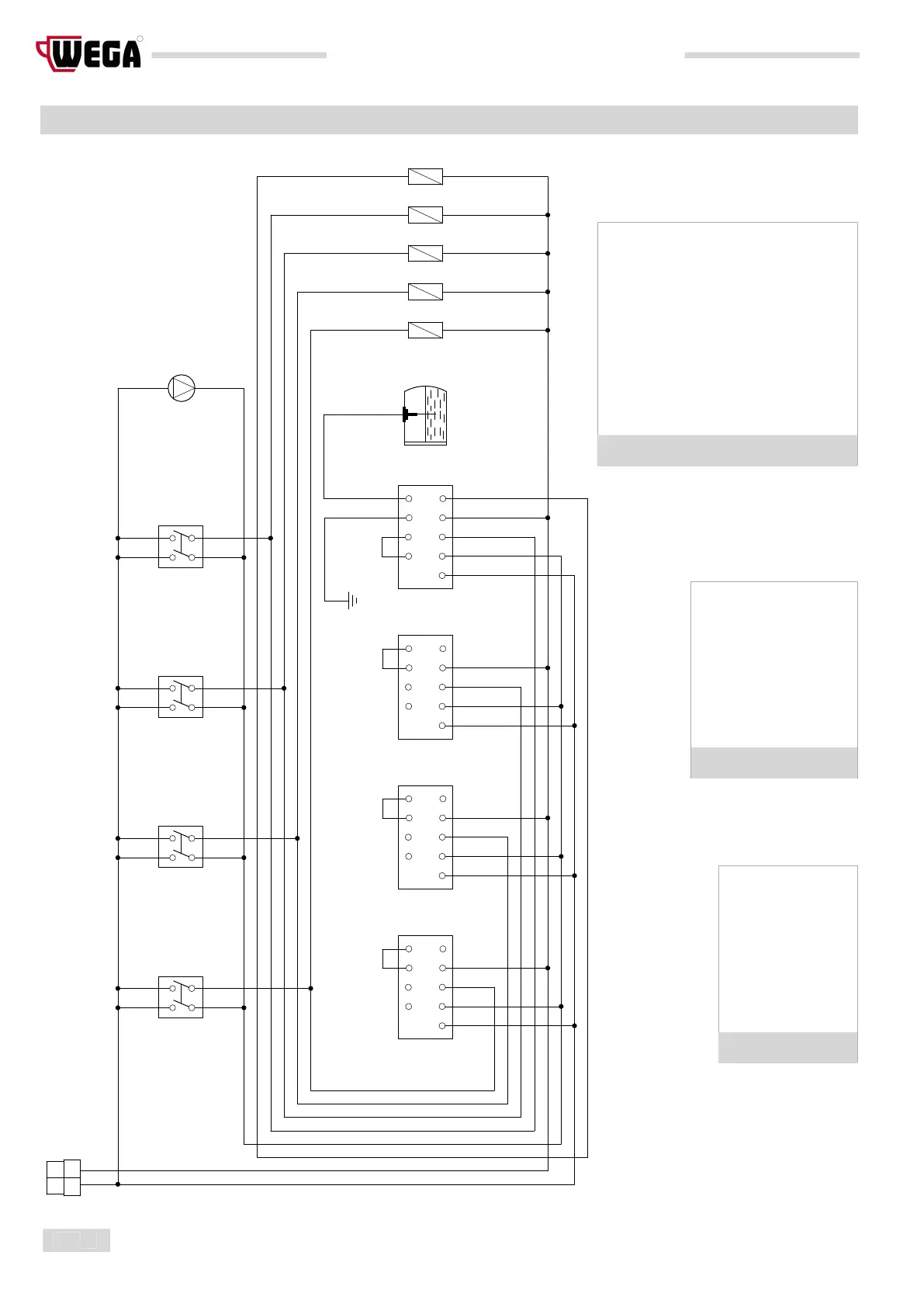
5. Electrical diagram version EVDT
CAL Boiler
CT Power supply connector
EVC Boiler filling solenoid valve
EV1 Solenoid valve GR1
EV2 Solenoid valve GR2
EV3 Solenoid valve GR3
EV4 Solenoid valve GR4
I1 Delivery switch GR1
I2 Delivery switch GR2
I3 Delivery switch GR3
I4 Delivery switch GR4
I1I2I3I4
MP
CT
TP4
EV4
TP3 TP2 TP1
EV3
EV2
EV1
EVC
CAL
SL
RO RO
BL VE
RORO
BL
VE
RORO
BL VE
RO RO
BL VE
RO
BL
RO
BL
VE
BI
RO
BL
VE
BI
RO
BL
VE
BI
RO
BL
VE
BI
MA
MA
NE
MP Pump
SL Level probe
TP1 Timer GR1
TP2 Timer GR2
TP3 Timer GR3
TP4 Timer GR4
BI White
BL Blue
MA Brown
RO Red
VE Green

Table of Contents

Other manuals for Wega Espresso Coffee Machine

Related product manuals