EasyManua.ls Logo

Wega Espresso Coffee Machine - Electrical Diagram Code WY18090030-WY18090031 *GICAR

Wega Espresso Coffee Machine
104 pages
Print Icon
To Next Page IconTo Next Page
To Next Page IconTo Next Page
To Previous Page IconTo Previous Page
To Previous Page IconTo Previous Page
Loading...
espresso coffee machine - electrical diagrams
R
ELE
17
English
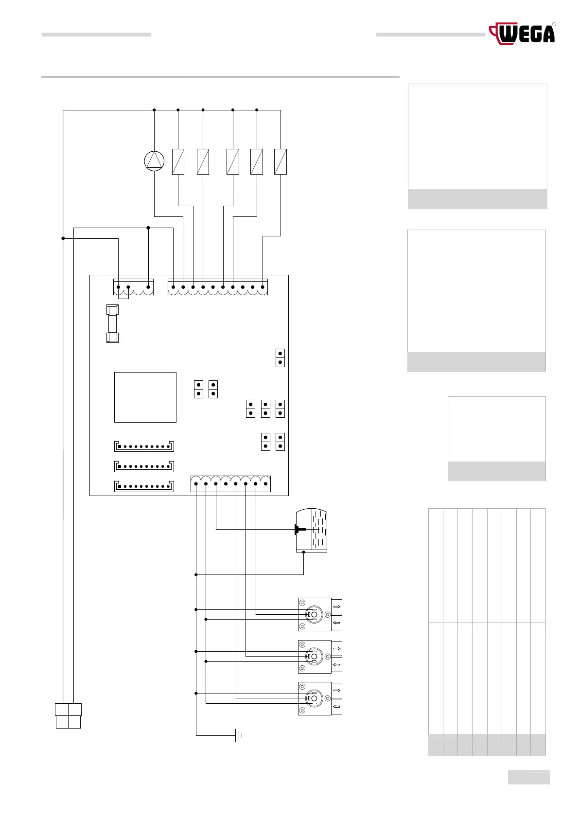
6.08 Electrical diagram code WY18090030-WY18090031 *GICAR*
EVT
EVC
EV3
MP
EV2
CV1
CT
F1
JP4
J
P6
JP7
JP5
JP2
JP1
JP8
EV1
TR
-
+
O
CV2 CV3
+
O
-
+
O
-
JP8
CAL
SL
B
L
MA
NE
MA
MA
NE
BI
RO
GV
VE
VE
BL
VE
V
E
RO
BI
RO
CN3
CN4
CN5
CN7
CN2
CN6
VE
JP1
JP2
JP3
JP4
JP5
JP6
JP7
JP8
Not managed
Pre-infusion enabled
Dose programming enabled
Boiler filling with pump
Tea key enabled
Tea delivery with pump
Not managed
Not managed
Not managed
Pre-infusion disabled
Dose programming disabled
Boiler filling without pump
Tea key disabled
Tea delivery without pump
Not managed
Not managed
JUMPER INSERTED JUMPER NOT INSERTED
CAL Boiler
CT Power supply connector
CV1 Volumetric counter GR1
CV2 Volumetric counter GR2
CV3 Volumetric counter GR3
EV1 Solenoid valve GR1
EV2 Solenoid valve GR2
EV3 Solenoid valve GR3
EVC Boiler filling solenoid valve
EVT Tea solenoid valve
F1 Inlets fuse (500mA)
MP Pump
CN2 Power supply
CN3 Push button panel connector GR1
CN4 Push button panel connector GR2
CN5 Push button panel connector GR3
CN6 Service outputs connector
CN7 Low voltage power supply
SL Boiler level probe
TR Transformer
BI White
BL Blue
GV Yellow-green
MA Brown
NE Black
RO Red
VE Green

Table of Contents

Other manuals for Wega Espresso Coffee Machine

Related product manuals