EasyManua.ls Logo

Westen pulsar D - Page 89

Westen pulsar D
196 pages
Print Icon
To Next Page IconTo Next Page
To Next Page IconTo Next Page
To Previous Page IconTo Previous Page
To Previous Page IconTo Previous Page
Loading...
89
926.323.1 - RU
РУКОВОДСТВО ДЛЯ ТЕХНИЧЕСКОГО ПЕРСОНАЛА
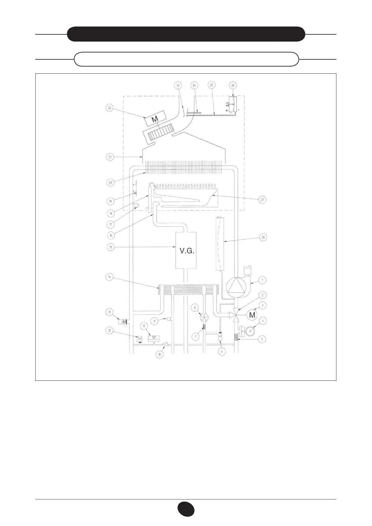
32. ФУНКЦИОНАЛЬНЫЕ СХЕМЫ
24 F
Рис. 17
Обозначения:
0809_0202 / CG_2082
подача в
систему
отопления
выход
горячей
воды
газ подача
холодной
воды
возврат из
системы
отопления
газовый клапан
рампа подачи газа с форсунками
датчик температуры (тип NTC) контура отопления
электрод зажигания/контроля пламени
термостат перегрева
первичный теплообменник
дымовой колпак
вентилятор
устройство Вентури
точка положительного давления
точка отрицательного давления
пневмореле – датчик тяги
горелка
расширительный бак
15
16
17
18
19
20
21
22
23
24
25
26
27
28
1
2
3
4
5
6
7
8
9
10
11
12
13
14
насос с автоматическим воздухоотводчиком
трехходовой клапан
мотор трехходового клапана
манометр
съемный фильтр на обратке контура отопления
кран заполнения системы отопления
съемный фильтр на входе контура ГВС
датчик приоритета контура ГВС
датчик температуры (тип NTC) контура ГВС
запорный клапан на автоматическом байпасе
гидравлический прессостат
кран слива воды из котла
сбросной предохранительный клапан (3 бар)
пластинчатый теплообменник системы ГВС

Table of Contents