EasyManua.ls Logo

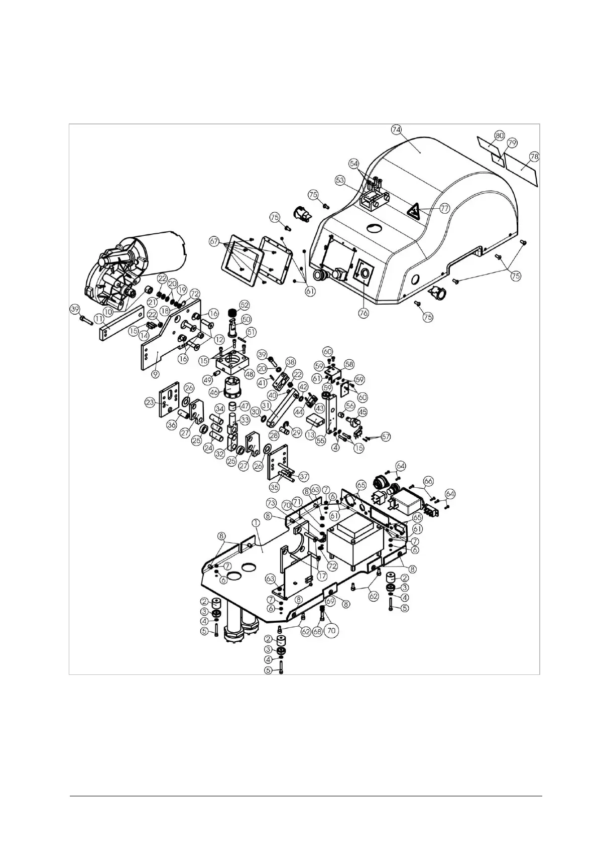
Wezag CS 300 - 15 Exploded View Drawing, Spare Part List, Circuit Diagram; Exploded View Drawing

Wezag CS 300
Print Icon
To Next Page IconTo Next Page
To Next Page IconTo Next Page
To Previous Page IconTo Previous Page
To Previous Page IconTo Previous Page
Loading...
BDA CS 300 06/15 REV. B Page 80 / 84
15 Exploded View Drawing, Spare Part List, Circuit Diagram
15.1 Exploded View Drawing
Fig. 15.1

Table of Contents

Related product manuals