EasyManua.ls Logo

Yamaha F80 - Page 157

Yamaha F80
497 pages
Print Icon
To Next Page IconTo Next Page
To Next Page IconTo Next Page
To Previous Page IconTo Previous Page
To Previous Page IconTo Previous Page
Loading...
3-46
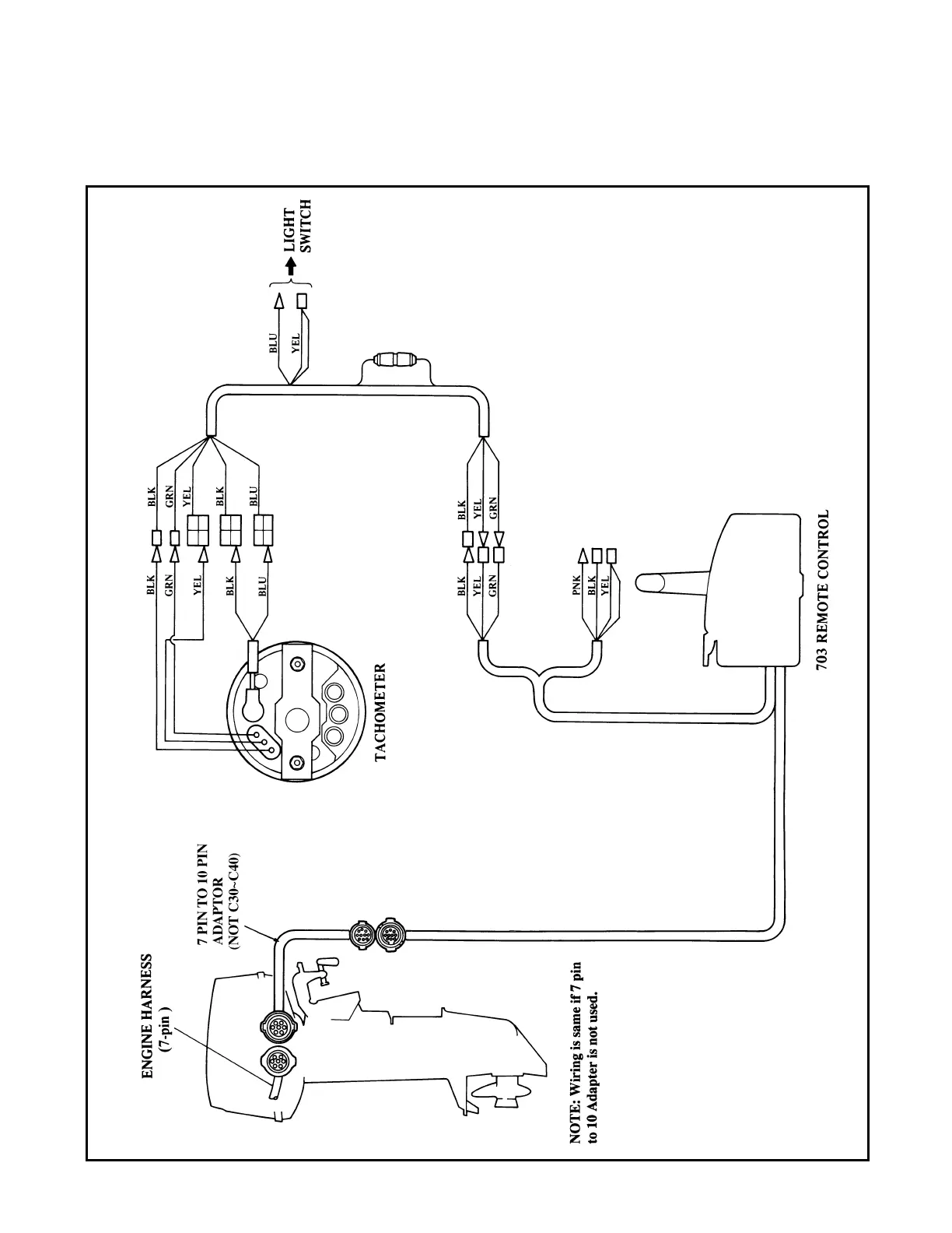
Outboard Rigging Guide - 2001 Boat Wiring Diagrams
9.9 ~ 30HP, 30 ~ C40 ~ 98 with 703 Control,
10-pin and Analog Tachometer

Table of Contents

Other manuals for Yamaha F80

Related product manuals