EasyManua.ls Logo

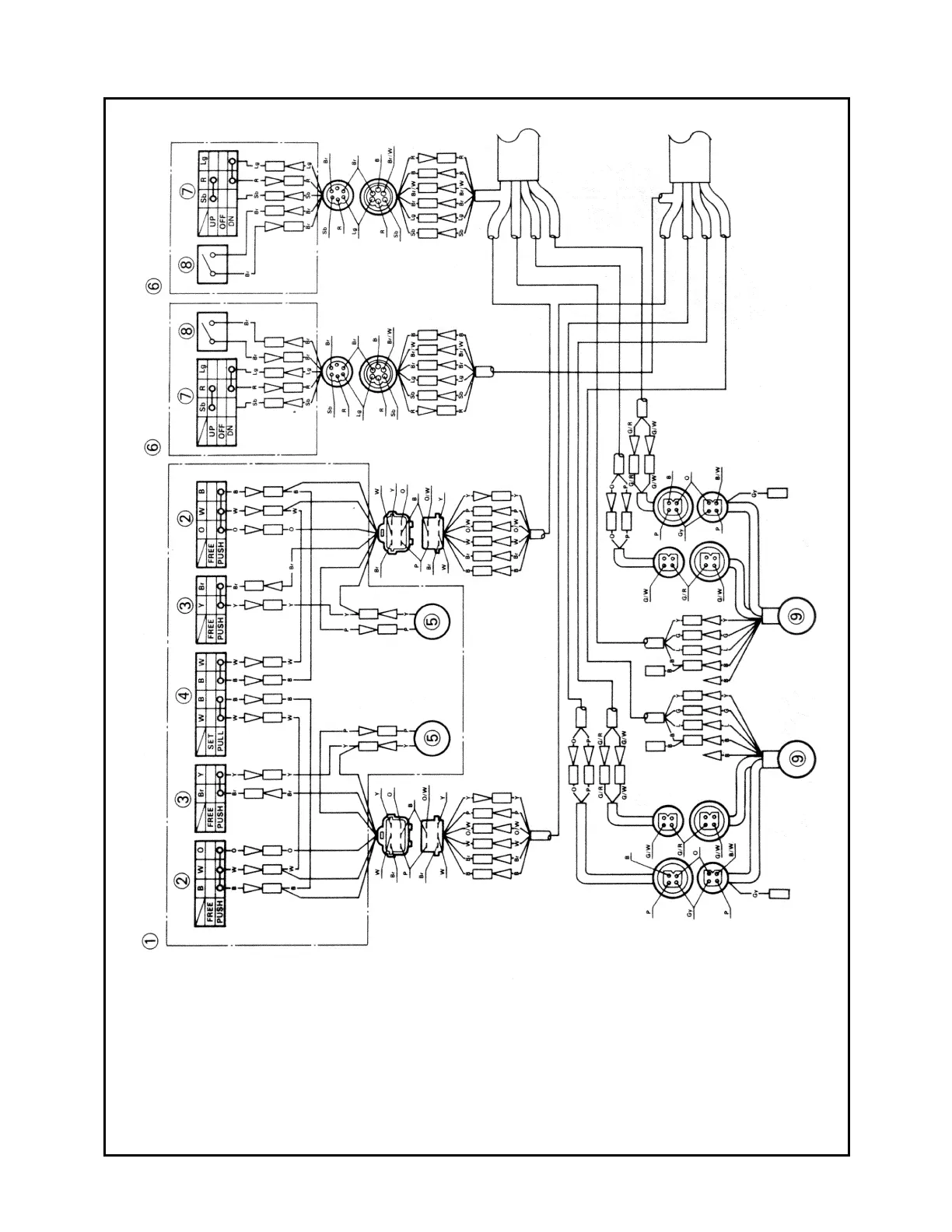
Yamaha F80 - SECOND STATION (Twin Engine)

Yamaha F80
497 pages
Print Icon
To Next Page IconTo Next Page
To Next Page IconTo Next Page
To Previous Page IconTo Previous Page
To Previous Page IconTo Previous Page
Loading...
10A-39

Table of Contents

Other manuals for Yamaha F80

Related product manuals