EasyManua.ls Logo

Yamaha F80 - Page 302

Yamaha F80
497 pages
Print Icon
To Next Page IconTo Next Page
To Next Page IconTo Next Page
To Previous Page IconTo Previous Page
To Previous Page IconTo Previous Page
Loading...
6-22
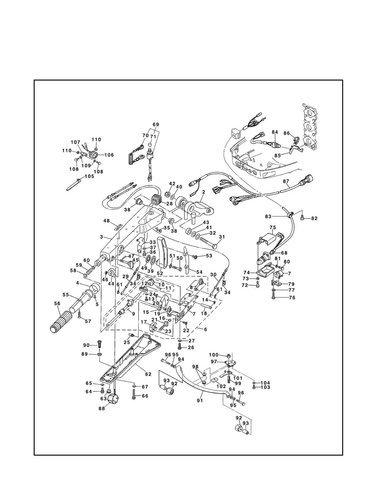
Outboard Rigging Guide - 2001Steer. Friction Kit 40, C40, 50, C50 Tiller Handle
STEERING FRICTION KIT (63D-42508-00-00)
40, C40, 50, C50 TILLER HANDLE (63D-W0086-Z0-4D)

Table of Contents

Other manuals for Yamaha F80

Related product manuals