EasyManua.ls Logo

Yamaha F80A - Starting System

Yamaha F80A
79 pages
Print Icon
To Next Page IconTo Next Page
To Next Page IconTo Next Page
To Previous Page IconTo Previous Page
To Previous Page IconTo Previous Page
Loading...
– 26 –
–+
ELEC
E
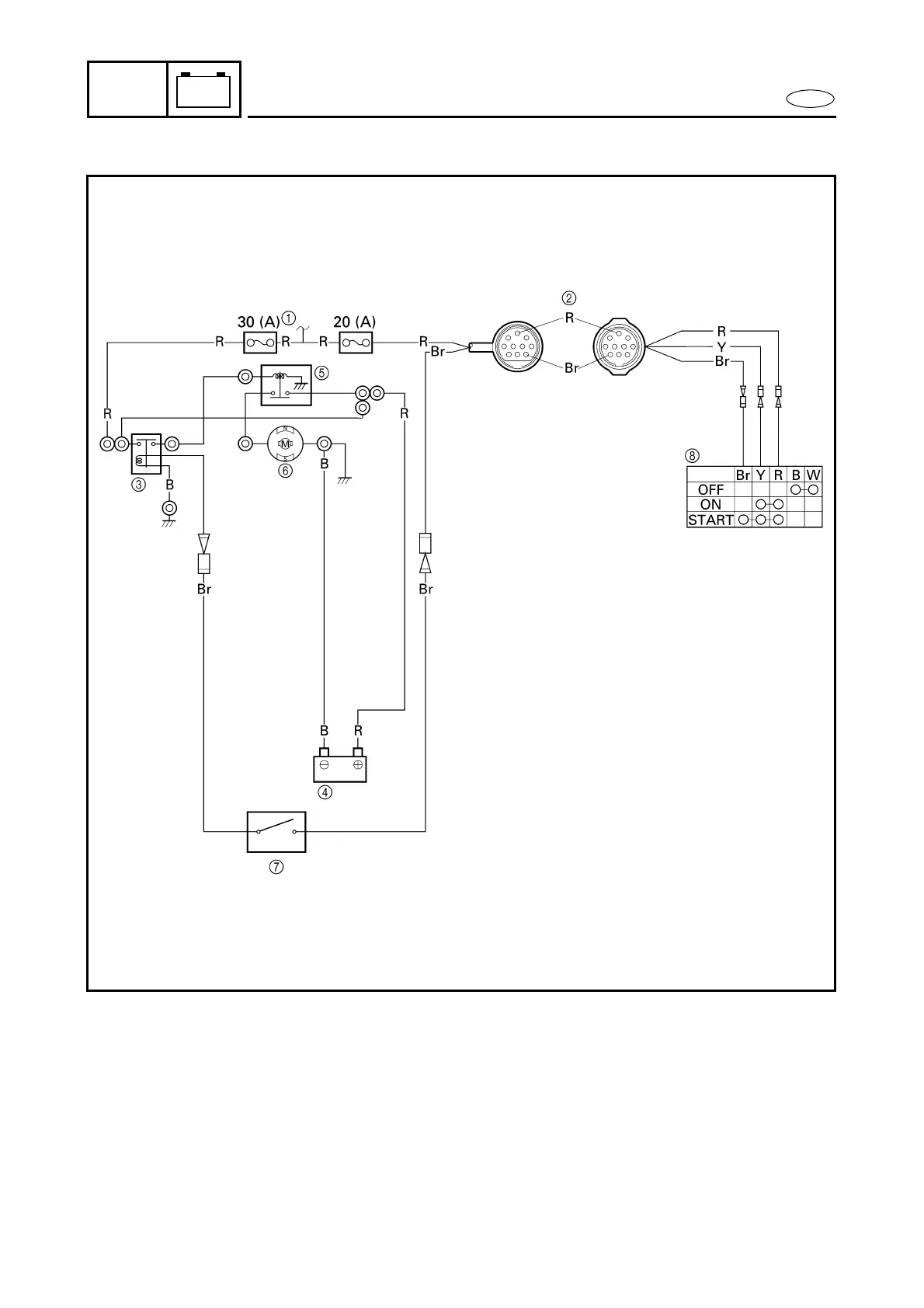
STARTING SYSTEM
STARTING SYSTEM
1
Fuse
2
10P coupler
3
Starter relay
4
Battery
5
Relay (magnetic switch)
6
Starter motor
7
Neutral switch
8
Main switch
B : Black
Br : Brown
R : Red
W : White
Y : Yellow

Other manuals for Yamaha F80A

Related product manuals