EasyManua.ls Logo

Yamaha F80B - Shimming and Backlash Adjustment

Yamaha F80B
249 pages
Print Icon
To Next Page IconTo Next Page
To Next Page IconTo Next Page
To Previous Page IconTo Previous Page
To Previous Page IconTo Previous Page
Loading...
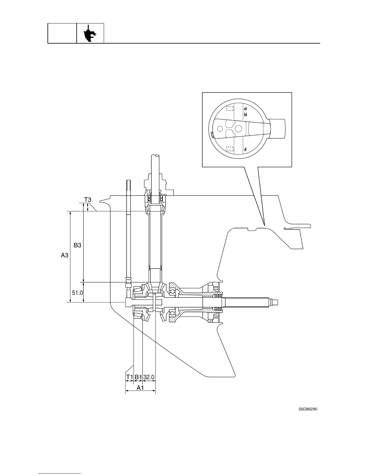
LOWR
Lower unit
6-25
6D93G11
Shimming
6

Table of Contents

Other manuals for Yamaha F80B

Related product manuals