EasyManua.ls Logo

Yamaha F80B - Ecm

Yamaha F80B
249 pages
Print Icon
To Next Page IconTo Next Page
To Next Page IconTo Next Page
To Previous Page IconTo Previous Page
To Previous Page IconTo Previous Page
Loading...
POWR
Power unit
5-21
6D93G11
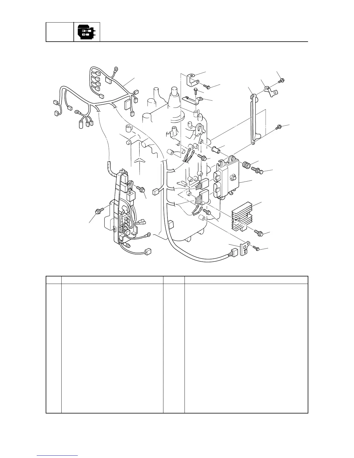
ECM
5
No. Part name Qty Remarks
1 Wiring harness 1
2Bracket 1
3Bolt 2 M6
×
15 mm
4Bolt 2 M6
×
12 mm
5Bracket 1
6Bracket 1
7Bracket 1
8Bolt 2 M6
×
20 mm
9 Collar 4
10 Grommet 4
11 Bolt 4 M6
×
30 mm
12 ECM 1
13 Rectifier Regulator 1
14 Bolt 2 M6
×
25 mm
15 Bolt 2 M6
×
20 mm
16 Bracket 1
17 Bolt 5 M6
×
30 mm
S6D85050
1
2
3
4
5
3
8
9
10
11
12
13
14
4
16
17
17
15
7
6
15

Table of Contents

Other manuals for Yamaha F80B

Related product manuals