EasyManua.ls Logo

Yamaha F80B - Bow View

Yamaha F80B
249 pages
Print Icon
To Next Page IconTo Next Page
To Next Page IconTo Next Page
To Previous Page IconTo Previous Page
To Previous Page IconTo Previous Page
Loading...
ELEC
Electrical systems
+
8-5
6D93G11
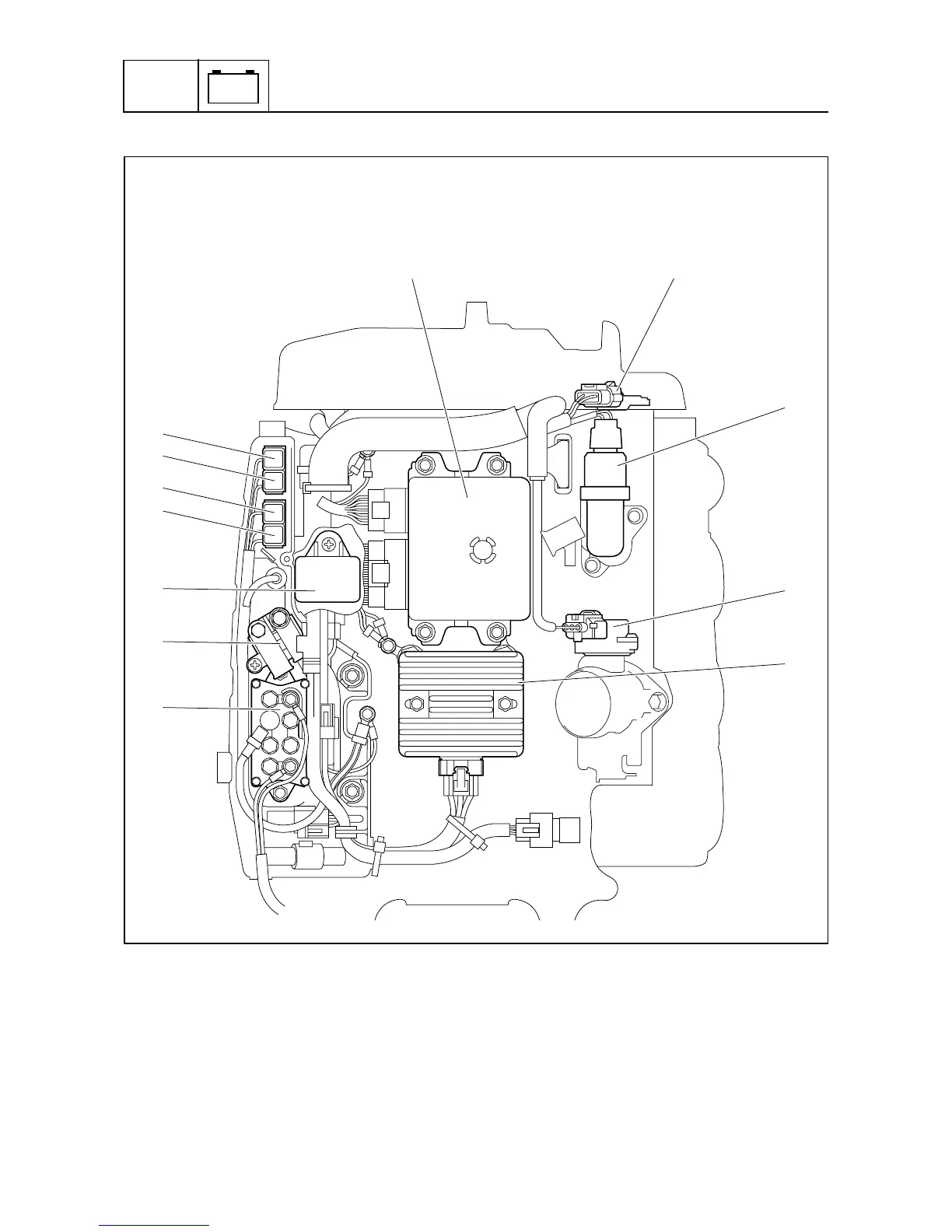
Bow view
1
ECM
2
Sensor assembly
(intake air temperature and intake air
pressure)
3
Idle speed control
4
Throttle position sensor
5
Rectifier Regulator
6
Power trim and tilt relay
7
Starter relay
8
Main and fuel pump relay
9
Fuse (20A)
(ECM, ignition coil, electric fuel pump, and fuel
injector)
0
Fuse (20A)
(main switch and power trim and tilt switch)
A
Fuse (20 A)
(Rectifier Regulator)
B
Fuse (30 A)
(starter relay)
S6D88030
6
7
8
9
0
A
B
1
3
2
4
5

Table of Contents

Other manuals for Yamaha F80B

Related product manuals