EasyManua.ls Logo

Yamaha F80B - Page 94

Yamaha F80B
249 pages
Print Icon
To Next Page IconTo Next Page
To Next Page IconTo Next Page
To Previous Page IconTo Previous Page
To Previous Page IconTo Previous Page
Loading...
POWR
Power unit
5-25
6D93G11
5
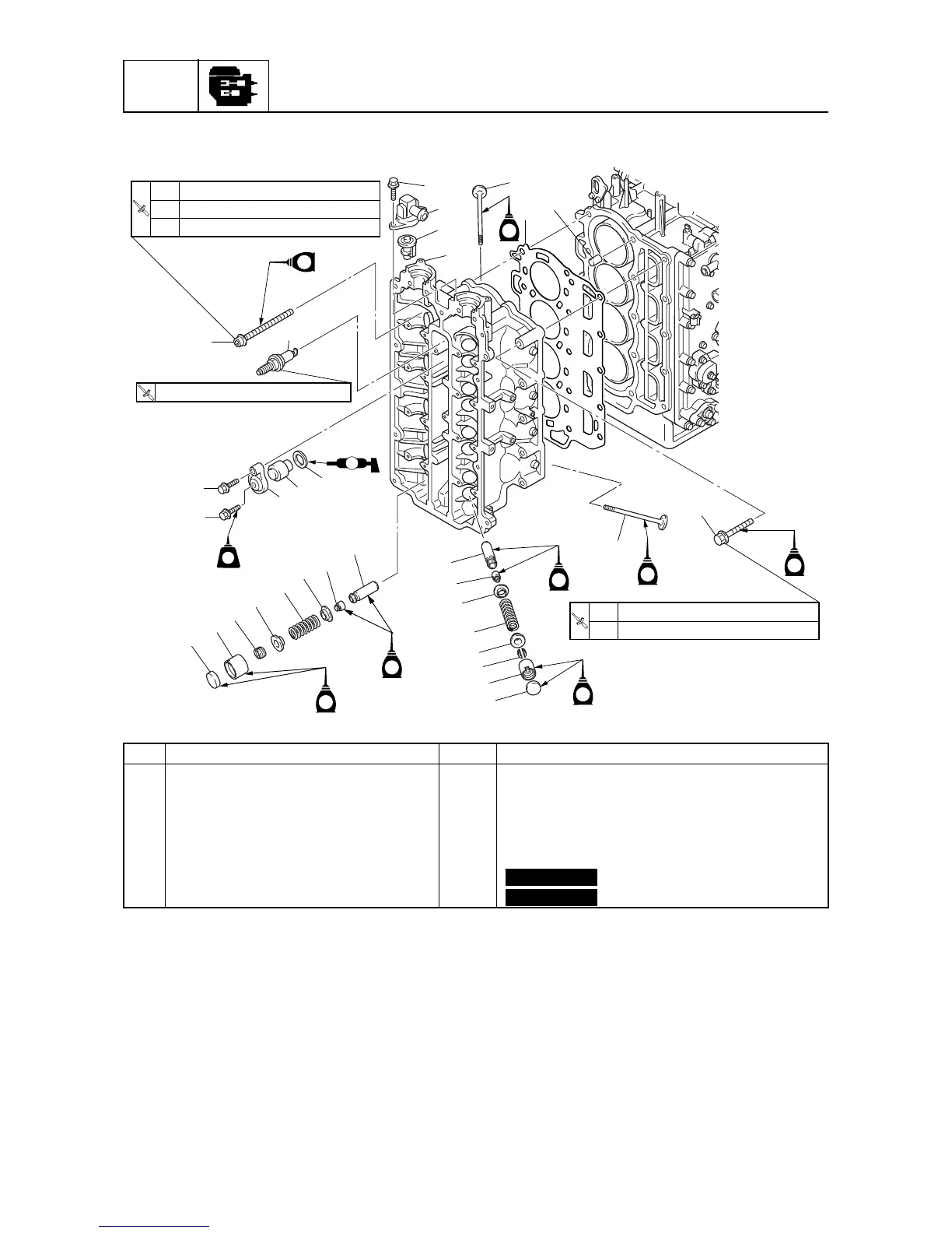
No. Part name Qty Remarks
18 Valve lifter 16
19 Valve cotter 32
20 Valve spring retainer 16
21 Valve spring 16
22 Valve spring seat 16
23 Valve seal 16
Not reusable
24 Valve guide 16
Not reusable
S6D85080
1
4
7
8
9
5
6
3
13
14
22
20
18
17
19
21
23
24
24
16
15
12
11
10
2
23
22
21
20
19
18
17
E
E
E
E
E
E
LT
271
A
A
T
R
.
.
25 N
m (2.5 kgf
m, 18.4 ft
Ib)
T
R
.
.
1 15 N
m (1.5 kgf
m, 11.1 ft
lb)
2 30 N
m (3.0 kgf
m, 22.1 ft
lb)
3 90˚
T
R
.
.
1 14 N
·
m (1.4 kgf
·
m, 10.3 ft
·
lb)
2 28 N
·
m (2.8 kgf
·
m, 20.7 ft
·
lb)
E
E

Table of Contents

Other manuals for Yamaha F80B

Related product manuals