EasyManua.ls Logo

Yamaha FX10X - Page 656

Yamaha FX10X
859 pages
Print Icon
To Next Page IconTo Next Page
To Next Page IconTo Next Page
To Previous Page IconTo Previous Page
To Previous Page IconTo Previous Page
Loading...
8-2
+
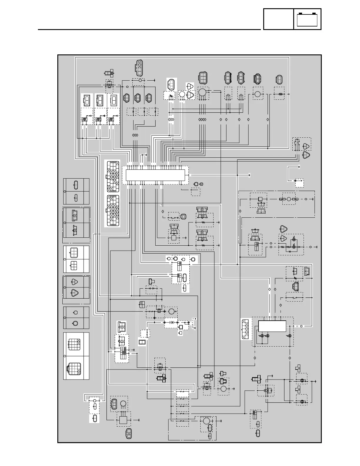
ELEC
IGNITION SYSTEM
IGNITION SYSTEM
CIRCUIT DIAGRAM
R/W
L/W
(BLACK)
L/W
R/G
R/W
L/W
Y
Lg G
(BLACK)
B
Br/B
L
R/WG/Y
R/G
R/L
R/WL/R
R
W
Br
Br/L
Y/R P/L W/G R/G Br/L L/B O
Lg B
G/Y L/R B G/B
R/Y Br/L R/B
Gy/R
O/G
L
Br/W
P
G/W
L/WR/W
Gy P/W R/LCh
Y/L W L/Y B/L
Y/W Y/GB/Y Y Lg
R/W
L/W
Y/G
Lg
R/W
L/W
R/W
L/W
R/G
Ch
Y
G
B
G/Y
Br/L
B/Y
L/Y
Lg
Y/R
R/Y
Gy
O
Gy/R
O/G
R/B
G/B
L/B
B
B
L/R
R/L
L
Y
W
P/W
P
G/W
Br/W
B/L
R/G
P/L
W/G
Br/L
Y/W
Y/L
R/BR/L
G/BR/L
L/BR/L
B
B
HI
LO
G
BY
Y
G
B
G
BY
B
L
B
L
(BLACK)(BLACK)
B
L/W
Br
R/Y
R/W
Br/W
Br
R
OFF
ON
START
RUN
STOP
OFF
ON
CLOSE
OPEN
Y/L
Y/W
Ch
Y/WY/L
B
/L
P
O/R
B/W
LW
B/L
G
L/R
B
LY
B
L/W
Lg
G
L
W/B
G
B
O/B
L/BG/BR/BR/L
P/W
R/G
Y
B/L
L
P
R/YW/G
Br/L
(GRAY)
P/L
L/BG/BR/BR/L
P/W
R/G
Y
B/L
L
P/BR/YW/G
Br/L
(GRAY)
P/L
Y/G
Y/G
B/L
Ch
(BLACK)
(BLACK)
B/Y
B/Y
G
L/R
B
L/R
G
B
L/Y
Ch
Y
R/B
R/W
G/B
R/W
G/B
Y
R/B
L/Y
Ch
G/W
B/L
B/L
G/W
Br/W
(BLACK)
Br
Br
(BLACK)
R/W
B/L
(BLACK)
Gy
Gy
(BLACK)
B
R/W
(BLACK)
O
R/W
(BLACK)
Gy/R
R/W
(BLACK)
O/G
R/LR/B
(GRAY)
R/LG/B
(GRAY)
R/LL/B
(GRAY)
B/L
Y
L
(BLACK)
B
R/L
R/G
P/LR/Y
(BLACK)
Br/L
W/G
R/Y
G/W
B/L
(DARK GREEN)
Y/G
B
W
Lg
B
L/R
G
G
L/R
B
(GREEN)
G
G/B
Ch
Br
P
P
L/R
B
Y/R
B
B
B
Y/R
B
B
(GREEN)
(GRAY)
Ch
R/B
Br/W
B/L
(BLACK)
L
(BLACK)
P/W
B/L
L
(BLACK)
P/BB/L
W
(GRAY)
WW
R
(BLACK)
B
R
R
R/WG/BL/YR/B
(BLACK)
Ch Y
WIRE HARNESS
FUEL INJECTION SYSTEM
SUB-WIRE HARNESS
A
WIRE
HARNESS
OIL PRESSURE
SWITCH
SUB-LEAD
B
WIRE
HARNESS
WIRE
HARNESS
TAIL/BRAKE
LIGHT
SUB-LEAD
SPEEDOMETER
UNIT SUB-LEAD
C
E
WIRE
HARNESS
REVERSE SWITCH
SUB-WIRE HARNESS
F
WIRE
HARNESS
COOLANT
TEMPERATURE
SENSOR SUB-LEAD
G
L/R
B
B
L/R
È
É
ÈÉ
R
Gy
B
B/L
R/Y L/W
Br B
BrR
W W W R R
O/B
O/B
B
L/W L/R Br/B R/Y
Br/B
R/W
L
B
B
R
B
B
Br
R/W
B/Y
Lg
Y/R Y/R
B B
B
Y/G
R/G
R/L
R/W
L/R
R/L
B
R/Y
G/W
B/L
B/L
Br/W
R/Y
Ch
L
L/W
L/W
Ch
R/B
L/R
G
G
L/R
B
G/B
ChCh
Ch
Ch
Lg
B
G/Y
Br/L
W
W
W
W
R
R
Lg
R/W
O
R/W
Gy/R
R/W
O/G
L
Y
B/L
L
W
B/L
R
Y
Lg
R/WR/W R/W
YYY
G
B
L/Y
Y/W
Ch
Y/L
L/Y
G/B
R/B
E
E
R/B R/B
E
R/B
A
G/B
A
L/B
R/B
G/B
L/B
A
LL
A
YY
L/RL/R
F
Y/GY/G
B
A
B/LB/L
A
R/GR/G
A
P/LP/L
A
W/GW/G
A
Br/L
P/W
B/L
L
P/B
B/L
L
Br/L
R/G
P/L
W/G
Br/L
A
R/Y
A
P/W
A
P
A
G/W
G
B/L
R/Y
P/W
P/B
G/W
B/L
G
E
G/B
L/Y
G/B
E
E
B
B
C
B
B
B
P
P
L/R
B
F
G
G
C
L/R
L/R
C
R/L
R/L
A
(BLACK)(BLACK)
Lg
EE
F
G
H
I
J
J
J
K
8
9
0
A
BC
D
1
2
3
4
5
6
7
L
M
N
O
P
Q
R
S
T
U
V
W
X
Y
Z
[
\
]
_
a
b
c
d
e
f
g
hh
i
j
k
l
m
nopqr

Table of Contents

Other manuals for Yamaha FX10X

Related product manuals