EasyManua.ls Logo

Yamaha FZ 25 2021 - Page 18

Yamaha FZ 25 2021
247 pages
Print Icon
To Next Page IconTo Next Page
To Next Page IconTo Next Page
To Previous Page IconTo Previous Page
To Previous Page IconTo Previous Page
Loading...
1-9
GEN
INFO
FEATURES
The necessary actions are confirmed using the monitor circuit and control signals are transmitted to the
hydraulic unit assembly.
ABS cont
rol operation
The ABS control operation performed in the ABS ECU is divided into the following two parts.
Hydraulic control
Self-diagnosis
When a malfunction is detected in the ABS, a fault code is stored in the memory of the ABS ECU for
easy problem identification and troubleshooting.
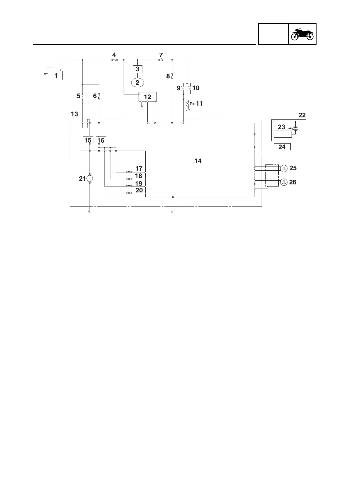
1. Battery
2. AC magneto
3. Rectifier/regulator
4. Main fuse
5. ABS motor fuse
6. ABS solenoid fuse
7. Main switch
8. ABS control unit fuse
9. Rear brake light switch
10. Front brake light switch
11. Tail/brake light
12. ABS test coupler
13. Hydraulic unit assembly
14. ABS ECU
15. ABS motor relay
16. Solenoid relay
17. Front brake outlet solenoid
18. Front brake inlet solenoid
19. Rear brake outlet solenoid
20. Rear brake inlet solenoid
21. ABS motor
22. Meter assembly
23. ABS warning light
24. ECU (Engine Control Unit)
25. Front wheel sensor
26. Rear wheel sensor
B9X-F8197-E0.book Page 9 Thursday, July 16, 2020 2:28 PM

Table of Contents