EasyManua.ls Logo

Yanmar 3JH5E - Page 114

Yanmar 3JH5E
160 pages
Print Icon
To Next Page IconTo Next Page
To Next Page IconTo Next Page
To Previous Page IconTo Previous Page
To Previous Page IconTo Previous Page
Loading...
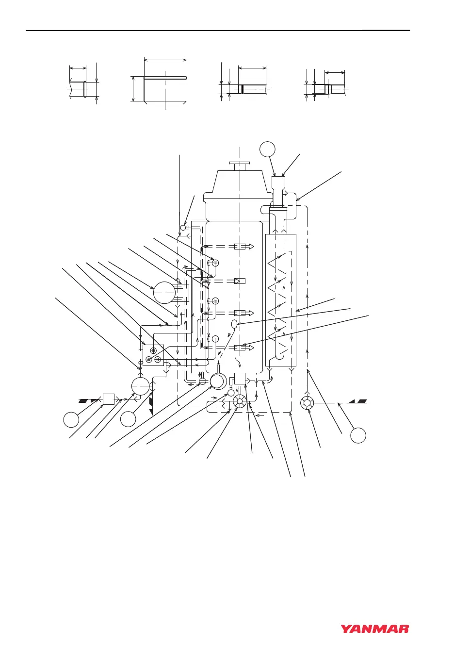
SYSTEM DIAGRAMS
108 JH Series Operation Manual
3JH5E with KM35P, KM35A Marine Gear
Figure 1
C
D
A
B
P
P
P
P
T
ø8.5
ø76.3
ø8
ø9
ø8
ø26
45
18
30
25
(1)
(2)
(3)
(4)
(5)
(6)
(7)
(8)
(9)
(10)
(11)
(12)
(13)
(14)
(15)
(16)
(17)
(19)
(20)
(21)
(22)
(23)
(24)
(25)
(26)
(27)
(28)
(29)
(30)
(31)
(32)
(33)
(38)
(39)
(41)
(40)
(34)
(36)
(35)
(37)
(18)
026104-00X
JH5_EN_OPM.book 108 ペー 2013年8月8日 木曜日 午前9時23分

Table of Contents