EasyManua.ls Logo

YASKAWA SGDB-15VN - Page 80

YASKAWA SGDB-15VN
284 pages
To Next Page IconTo Next Page
To Next Page IconTo Next Page
To Previous Page IconTo Previous Page
To Previous Page IconTo Previous Page
Loading...
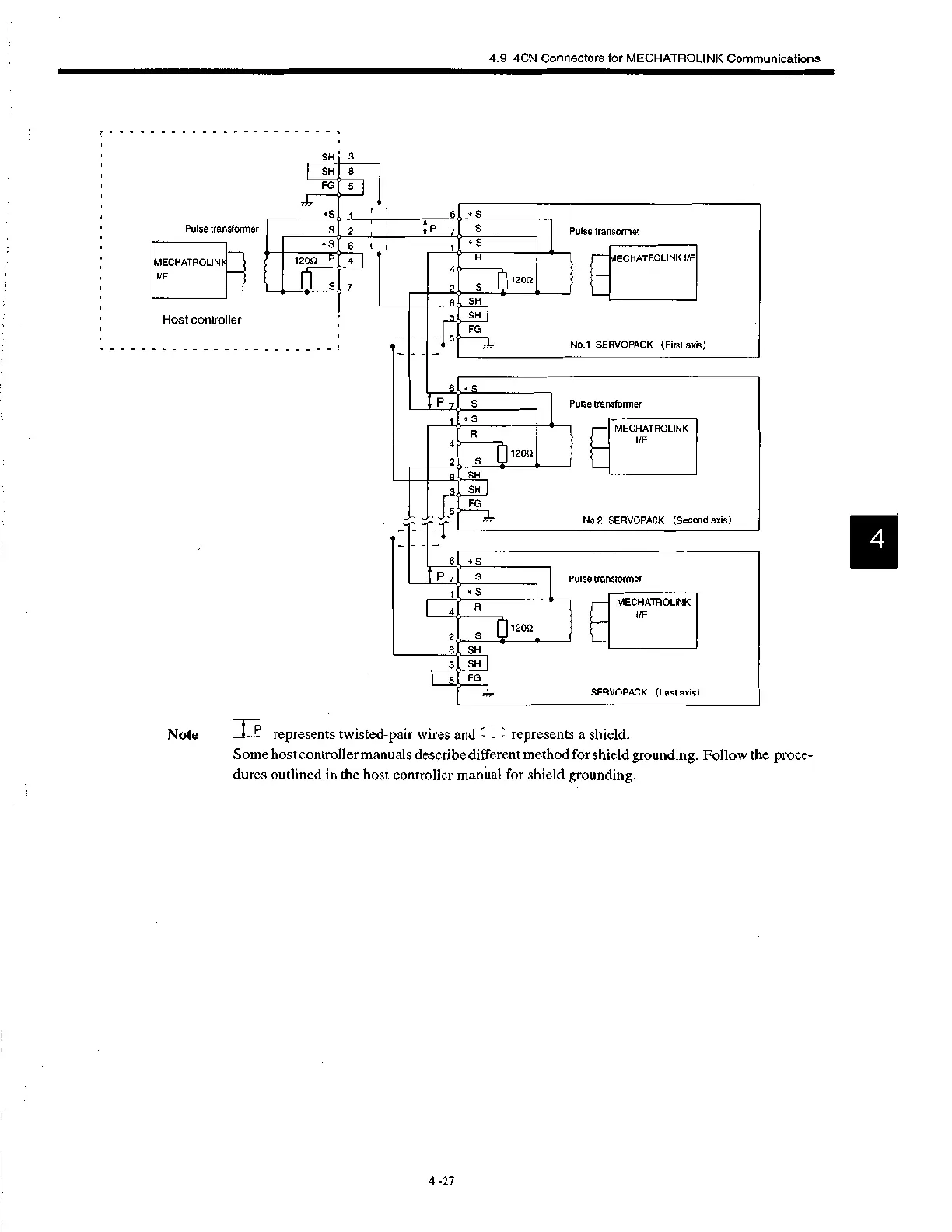
4.9 4CN Connectors for MECHATROLINK Communications
SH 3
SH 8
FG 5
Pulse transformer
MECHATROLIN
I/F
Host controller
*S
S 2
P
6
7
S
*S 6
1200 R 4
J-
S 7
Note
S
Pulse transormer
4
R
21. S
1200
3
5
6
P 7
SH
SH
FG
f—MECHATROLINK I/F
r 1
No.1 SERVOPACK (First axis)
S
S
S
Pulse transformer
4
2
R
S
1200
SH
3
5
SH
FG
MECHATROLINK
I/F
No.2 SERVOPACK (Second axis)
P7
S
1
S
Pulse transformer
4
2
8
1200
S
SH
3
SH
5
FG
MECHATROLINK
I/F
SERVOPACK (Last axis)
P , -
represents twisted-pair wires and - - - represents a shield.
Some host controller manuals describe different method for shield grounding. Follow the proce-
dures outlined in the host controller manual for shield grounding.

Table of Contents

Related product manuals