EasyManua.ls Logo

YASKAWA V1000

YASKAWA V1000
35 pages
To Next Page IconTo Next Page
To Next Page IconTo Next Page
To Previous Page IconTo Previous Page
To Previous Page IconTo Previous Page
Loading...
VAN-V19001E [V1000→GA500]
12/35
Connection at Replacement
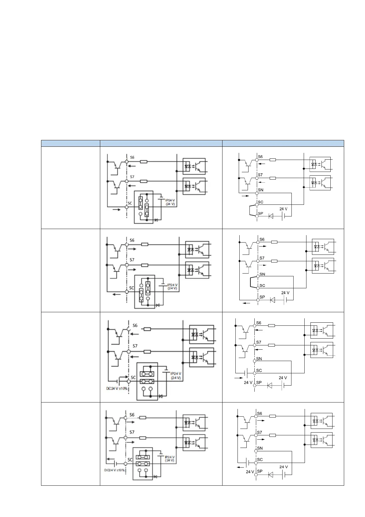
Control I/O Connections
Switching sinking mode/sourcing mode
With the V1000, the sink/source jumper on the control board is used to select whether to use the sinking mode or sourcing
mode and whether to use the internal or external power supply.
With the GA500, however, these settings depend on how you connect the SN, SC, and SP terminals.
Check the jumper setting on the V1000, and use the corresponding mode/ power supply connection method, instead.
Sinking mode and internal power supply are selected by factory default.
Note: Do not short-circuit the terminals SP and SN.
Table 7: Switching sinking mode/sourcing mode
Mode/Power Supply
V1000
GA500
Sinking mode
(NPN)
Internal power
supply
Sourcing mode
(PNP)
Internal power
supply
Sinking mode
(NPN)
External power
supply
Sourcing mode
(PNP)
External power
supply
External
power
supply
External
power
supply

Other manuals for YASKAWA V1000

Related product manuals