EasyManua.ls Logo

Zmotion ZMC420SCAN - Page 40

Default Icon
68 pages
Print Icon
To Next Page IconTo Next Page
To Next Page IconTo Next Page
To Previous Page IconTo Previous Page
To Previous Page IconTo Previous Page
Loading...
ZMC420SCAN Motion Controller Hardware Manual V1.5
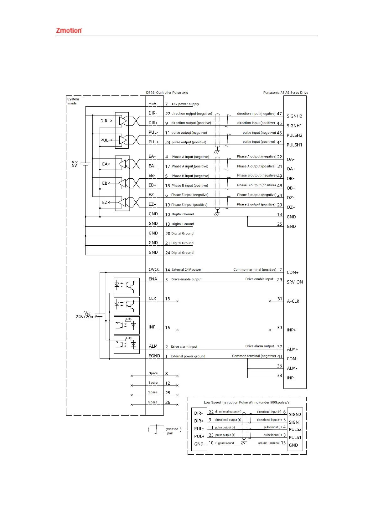
Wiring Reference:
Reference example of wiring with Panasonic A5/A6 servo driver:

Table of Contents

Other manuals for Zmotion ZMC420SCAN