EasyManua.ls Logo

Zoom UAC-232 - Mixer Diagram; Signal Flow Diagram

Zoom UAC-232
55 pages
Print Icon
To Next Page IconTo Next Page
To Next Page IconTo Next Page
To Previous Page IconTo Previous Page
To Previous Page IconTo Previous Page
Loading...
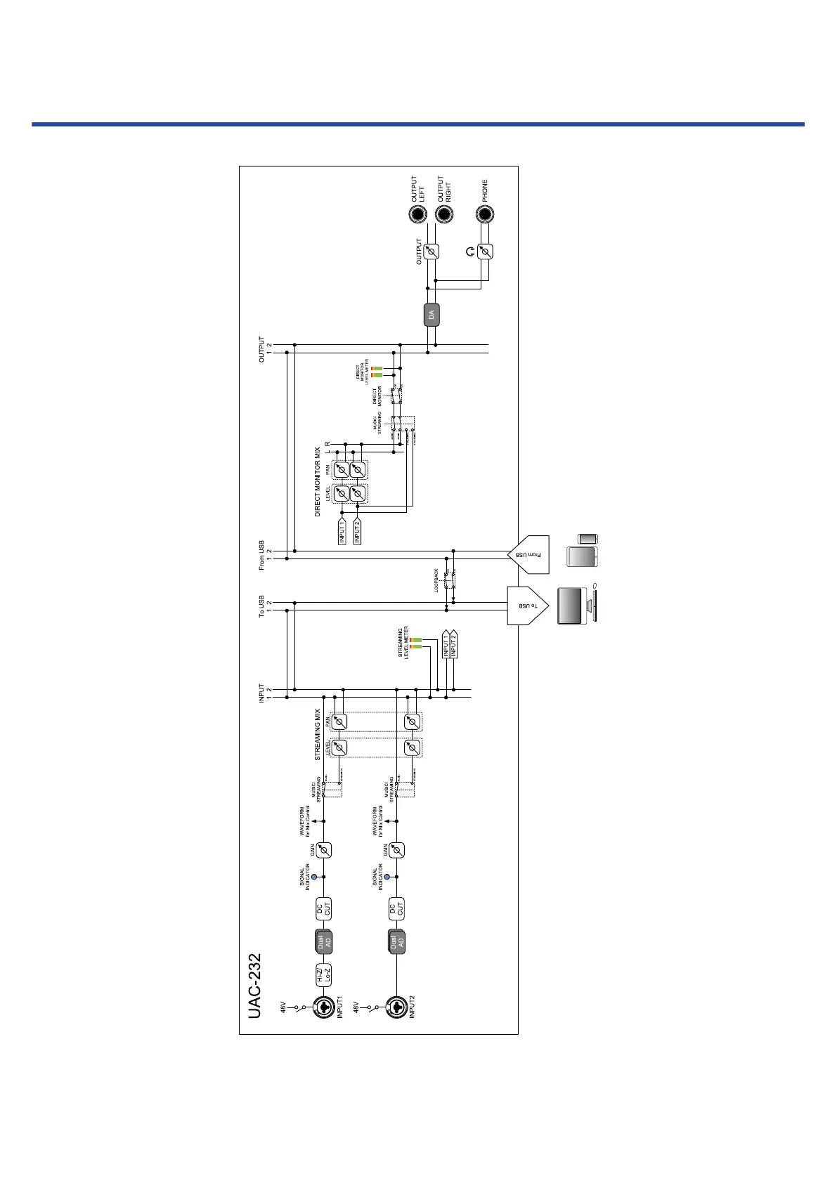
Mixer diagram
49

Other manuals for Zoom UAC-232

Related product manuals