EasyManua.ls Logo

ABB 4690 - Set Up Parameter Page

ABB 4690
44 pages
Print Icon
To Next Page IconTo Next Page
To Next Page IconTo Next Page
To Previous Page IconTo Previous Page
To Previous Page IconTo Previous Page
Loading...
4690 Series
Turbidity systems 8 Configuration and Electrical Calibration
IM/4690–EN Rev. A 27
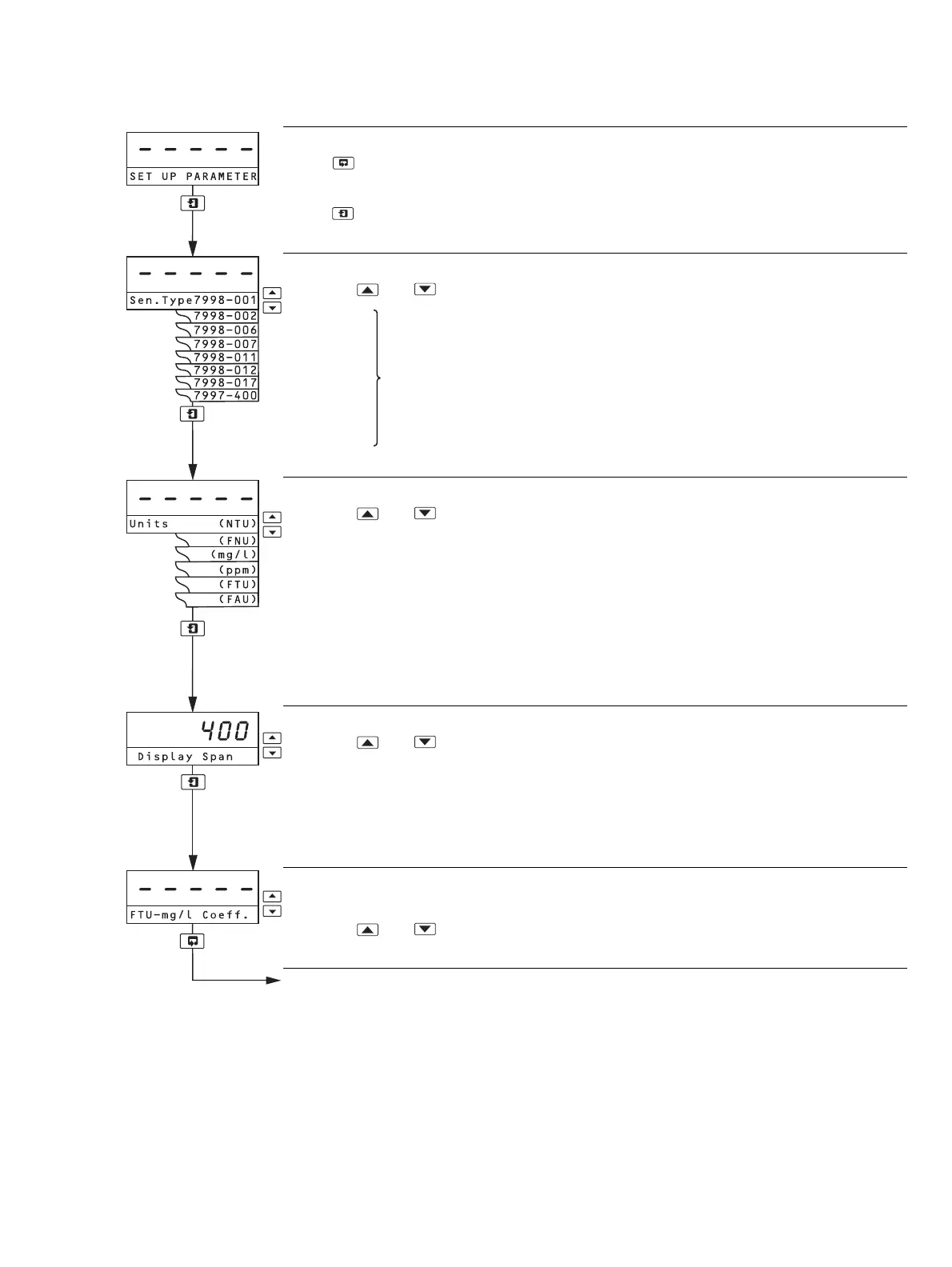
8.3 Set Up Parameter Page
Set Up Parameter
Press to advance to next page
or
Press to advance to next parameter.
Sensor Type
Using the and keys, select the required sensor:
7998-001
7998–002
7998–006
7998–007
7998–011
7998–012
7998–016
7998–017
7998–400 (Refer to separate manual IM/4670)
Units
Using the and keys, select the required measurement units:
NTU (Nephelometry Units)
FNU (Formazine Nephelometry Units)
mg/l (milligrams suspended solids per litre) – 7998-002/007/012/017 sensors only
ppm (parts per million suspended solids) – 7998-002/007/012/017 sensors only
Note. FTU and FAU units are applicable only to 7997–400 series sensors – refer to IM/4670
Display Span
Using the and keys, select the required span value.
The minimum and maximum values that can be selected are determined by the Sensor Type selected
above. The display flashes at turbidity values higher than the selected span value but indicates
correctly up to the range of the sensor – see Table 2.1 on page 3.
The display span also sets the correct output span. Alarm values cannot be set outside this range.
Correction Factor
Note. Displayed only if
Units is set to mg/l or ppm
Using the and keys, select the required correction factor to between 0.2 and 5.0.
Continued on next page.
See Tab l e 2 . 1 on page 3

Table of Contents

Related product manuals