EasyManua.ls Logo

ABB IRB 660 - Page 72

ABB IRB 660
362 pages
Print Icon
To Next Page IconTo Next Page
To Next Page IconTo Next Page
To Previous Page IconTo Previous Page
To Previous Page IconTo Previous Page
Loading...
Example: If 35 extra kg is put on the upper arm, this means that the robot only can
handle 180 - 35 = 145 kg or 250 - 35 = 215 kg (depending on model).
xx0500002289
Fitting holes, M10 (2 pcs)A
Fitting holes, M10 (2 pcs)B
Fitting holes, M10 (2 pcs)C
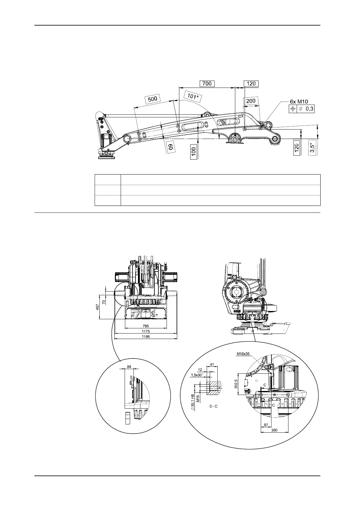
Illustration, fitting of extra equipment on frame
The illustration below shows the mounting holes available for fitting extra equipment
on the frame.
xx0500002505
Continues on next page
72 Product manual - IRB 660
3HAC025755-001 Revision: W
© Copyright 2006-2020 ABB. All rights reserved.
2 Installation and commissioning
2.3.8 Fitting equipment on robot
Continued

Table of Contents

Related product manuals