EasyManua.ls Logo

ABB OMD100 - Control Circuit Diagram OMD100 with Motorized OTM160

ABB OMD100
40 pages
Print Icon
To Next Page IconTo Next Page
To Next Page IconTo Next Page
To Previous Page IconTo Previous Page
To Previous Page IconTo Previous Page
Loading...
15
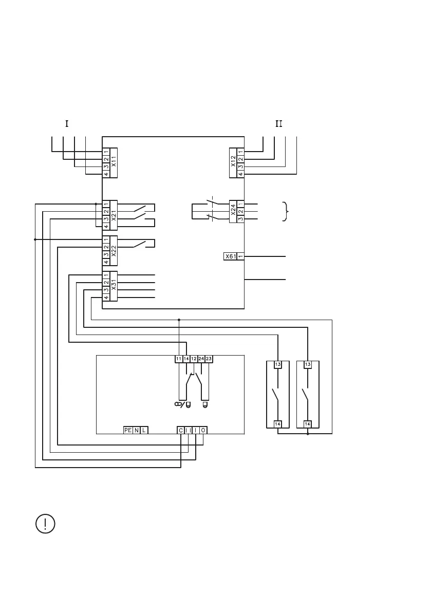
AUTOMATIC CONTROL UNIT, OMD100
AUTOMATIC CONTROL UNIT, OMD100
Figure 5.2 Control circuit diagram OMD100 with motorized OTM160…2500_CM_
Equipment earth must always be connected.
5.2.2 Control circuit diagram OMD100 with motorized
OTM160...2500_CM_
A07256
OMD100
Motorized
OTM160-2500_CM
OA1G10
Switch I auxiliary contact
Switch II auxiliary contact
Signaling OK/Equipment Alarm
Equipment earth
Supply
Equipment earth from DIN-rail
L1 L2
L3 N
L1 L2
L3 N
COM
D01
D02
COM
COM
D03
DI3
DI1
DI2
DI
D06
COM
D06
X2
X1
J1
OA1G10
Measurement
Measurement
L1
L2
L3
N
L1
L2
L3
N
LN1 LN2
OK
COM
Alarm

Related product manuals