EasyManua.ls Logo

Abus Terxon PSTN - Verdrahtungsbeispiel

Abus Terxon PSTN
Print Icon
To Next Page IconTo Next Page
To Next Page IconTo Next Page
To Previous Page IconTo Previous Page
To Previous Page IconTo Previous Page
Loading...
10
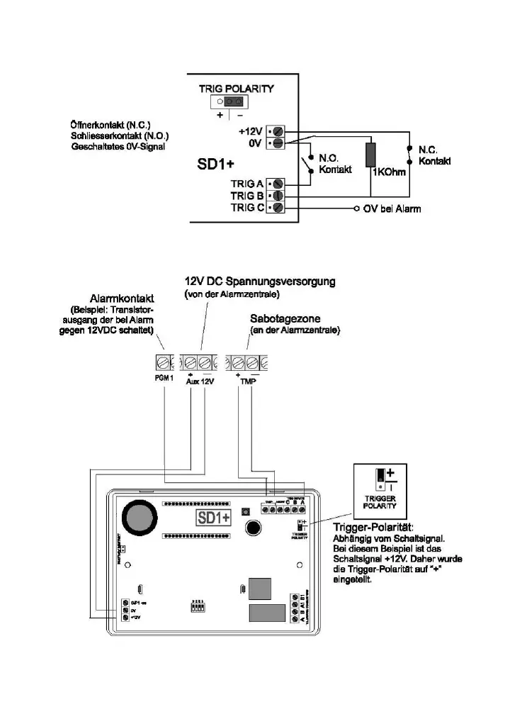
7.3 Verdrahtungsbeispiel

Table of Contents

Related product manuals