EasyManua.ls Logo

Abus Terxon PSTN - Comando Negativo; Esempio DI Cablaggio

Abus Terxon PSTN
Print Icon
To Next Page IconTo Next Page
To Next Page IconTo Next Page
To Previous Page IconTo Previous Page
To Previous Page IconTo Previous Page
Loading...
166
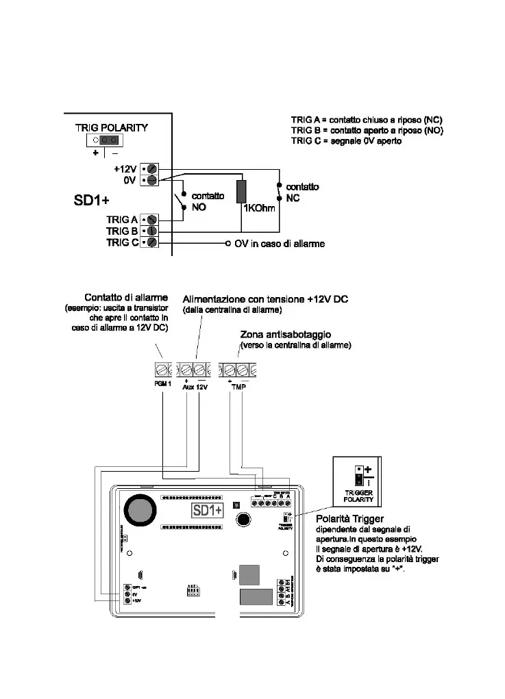
7.2.2 Comando negativo
Il comando positivo degli ingressi può essere ottenuto eseguendo
diversi tipi di cablaggio:
7.3 Esempio di cablaggio

Table of Contents

Related product manuals