EasyManua.ls Logo

Abus Terxon PSTN - Exemple de Câblage

Abus Terxon PSTN
Print Icon
To Next Page IconTo Next Page
To Next Page IconTo Next Page
To Previous Page IconTo Previous Page
To Previous Page IconTo Previous Page
Loading...
73
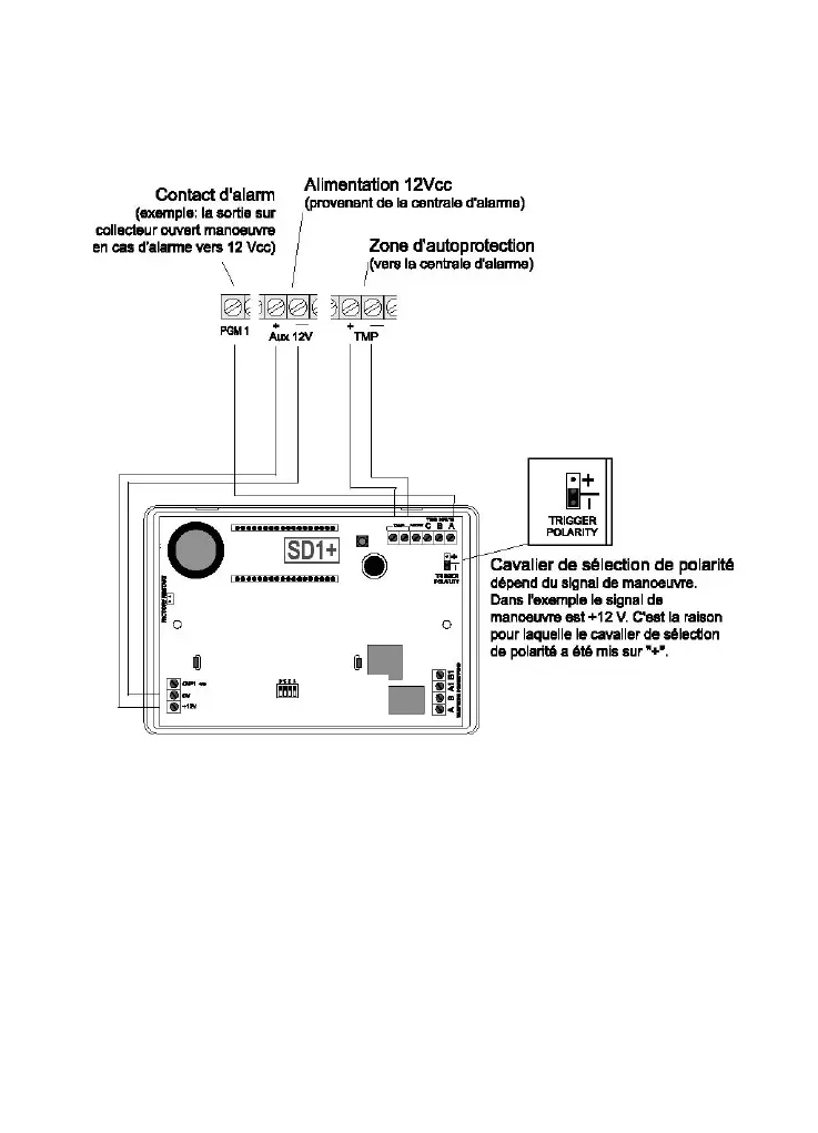
7.3 Exemple de câblage
Suivant la centrale d’alarme utilisée, des événement différents peuvent
être affectés aux sorties commutables programmables de cette
centrale. En général, ces sorties doivent être programmées pour une
mise en circuit avec le Terxon dispositiv PSTN sur « Alarme ». Tenir
également compte de la polarité des sorties commutables.
Si vous utilisez en complément la sortie sirène de votre centrale
d’alarme pour la commande du transmetteur téléphonique, ceci risque
de déclencher un retentissement de la sirène de temps en temps. Une
résistance d’1 K entre l’entrée TRIG et l’entrée +12 V du Terxon
dispositiv PSTN permet de l’éviter.

Table of Contents

Related product manuals