EasyManua.ls Logo

Acer e-mill 3VS - 6 VK Leadscrew Assembly

Acer e-mill 3VS
203 pages
Print Icon
To Next Page IconTo Next Page
To Next Page IconTo Next Page
To Previous Page IconTo Previous Page
To Previous Page IconTo Previous Page
Loading...
- 197 -
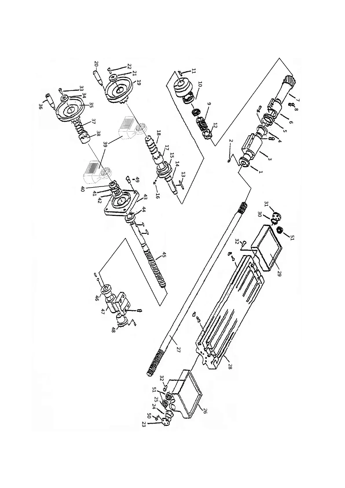
8-15. 6VK Leadscrew Assembly

Table of Contents

Related product manuals