EasyManua.ls Logo

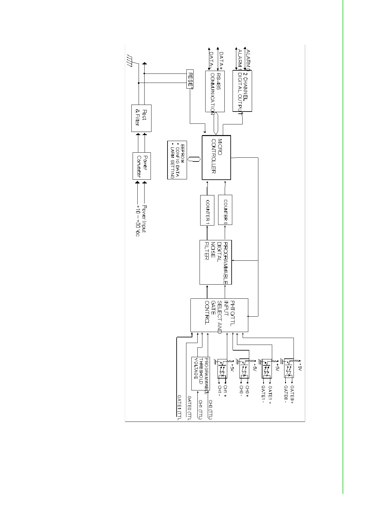
Advantech Adam-4017+ - Figure A.20 ADAM-4080 Function Diagram

Advantech Adam-4017+
390 pages
Print Icon
To Next Page IconTo Next Page
To Next Page IconTo Next Page
To Previous Page IconTo Previous Page
To Previous Page IconTo Previous Page
Loading...
319 ADAM-4000 Series User Manual
Appendix A Technical Specifications
Figure A.20 ADAM-4080 Function Diagram

Table of Contents

Related product manuals