EasyManua.ls Logo

Agilent Technologies X3500-64000

Agilent Technologies X3500-64000
304 pages
Go to English
To Next Page IconTo Next Page
To Next Page IconTo Next Page
To Previous Page IconTo Previous Page
To Previous Page IconTo Previous Page
Loading...
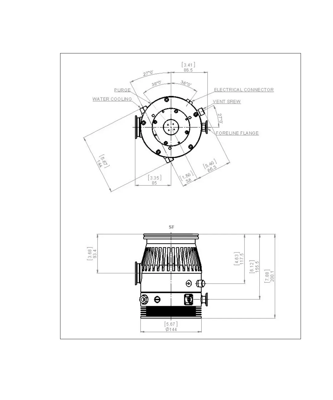
Technical Information
TwisTorr 304 FS Outline
17
TwisTorr 304 FS User Manual / 87-901-027-01 255/304
Figure 17
TwisTorr 304 FS (X3500-64010)

Table of Contents

Related product manuals