EasyManua.ls Logo

Alliance Laundry Systems CA050L - Unit Will Not Heat - Steam

Alliance Laundry Systems CA050L
176 pages
Print Icon
To Next Page IconTo Next Page
To Next Page IconTo Next Page
To Previous Page IconTo Previous Page
To Previous Page IconTo Previous Page
Loading...
70422101 111
© Copyright, Alliance Laundry Systems LLC – DO NOT COPY or TRANSMIT
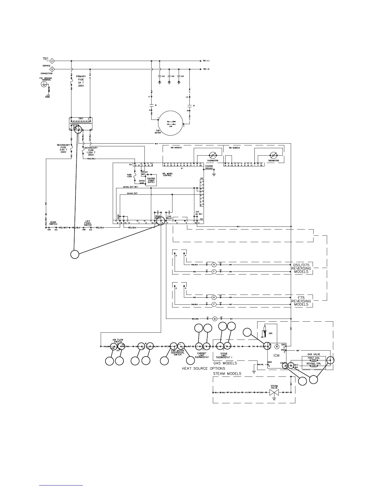
On Premise Micro Control (OM) Troubleshooting
Unit Will Not Heat – Gas
TMB2338S
1
2
3
5
7
4
6
8
9
10 11
12
13
14
TMB2338S

Table of Contents

Related product manuals