EasyManua.ls Logo

Alliance Laundry Systems CA050L - Page 122

Alliance Laundry Systems CA050L
176 pages
Print Icon
To Next Page IconTo Next Page
To Next Page IconTo Next Page
To Previous Page IconTo Previous Page
To Previous Page IconTo Previous Page
Loading...
120 70422101
© Copyright, Alliance Laundry Systems LLC – DO NOT COPY or TRANSMIT
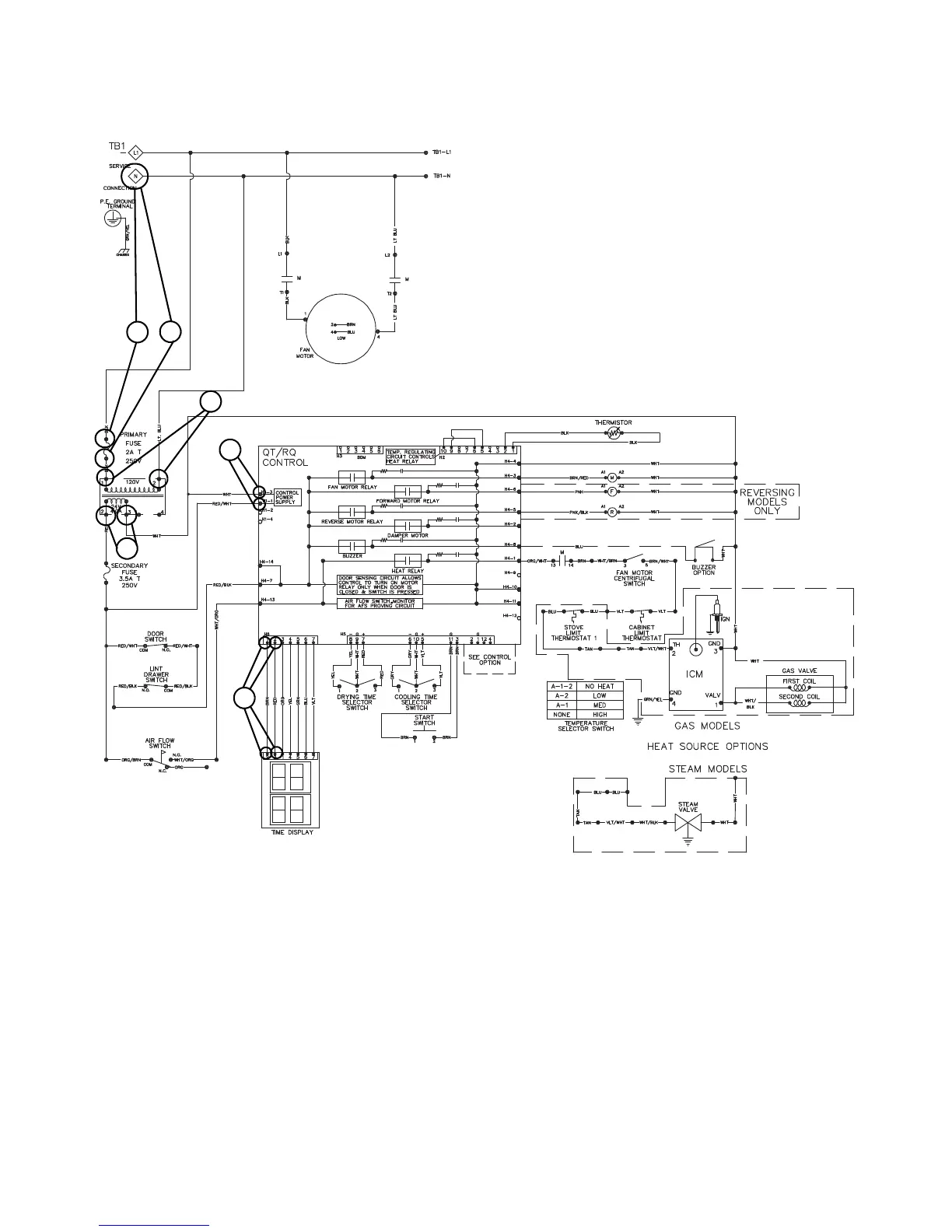
Hybrid Timer Control Troubleshooting
Control Has No Display – QT and RQ Control Suffixes
TMB2344S
1
2
3
4
5
6
TMB2344S

Table of Contents

Related product manuals