EasyManua.ls Logo

Alliance Laundry Systems CA050L - Page 157

Alliance Laundry Systems CA050L
176 pages
Print Icon
To Next Page IconTo Next Page
To Next Page IconTo Next Page
To Previous Page IconTo Previous Page
To Previous Page IconTo Previous Page
Loading...
70422101 155
© Copyright, Alliance Laundry Systems LLC – DO NOT COPY or TRANSMIT
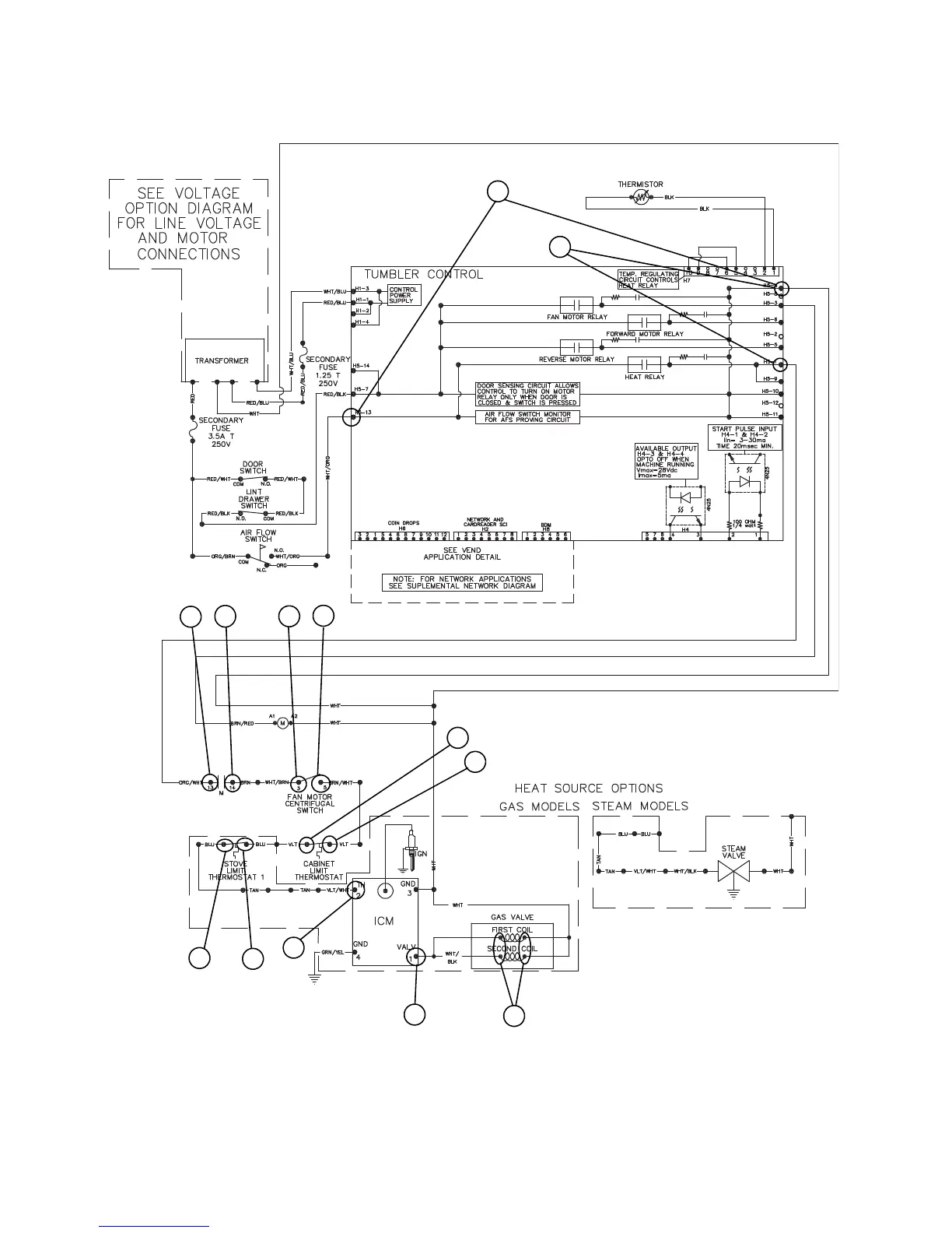
Quantum Control Troubleshooting
Unit Will Not Heat – Gas
TMB2274S
4
2
3
5
6
7
1
8
9
10
11
12
13
TMB2274S

Table of Contents

Related product manuals