EasyManua.ls Logo

Alliance Laundry Systems CA050L - Page 167

Alliance Laundry Systems CA050L
176 pages
Print Icon
To Next Page IconTo Next Page
To Next Page IconTo Next Page
To Previous Page IconTo Previous Page
To Previous Page IconTo Previous Page
Loading...
70422101 165
© Copyright, Alliance Laundry Systems LLC – DO NOT COPY or TRANSMIT
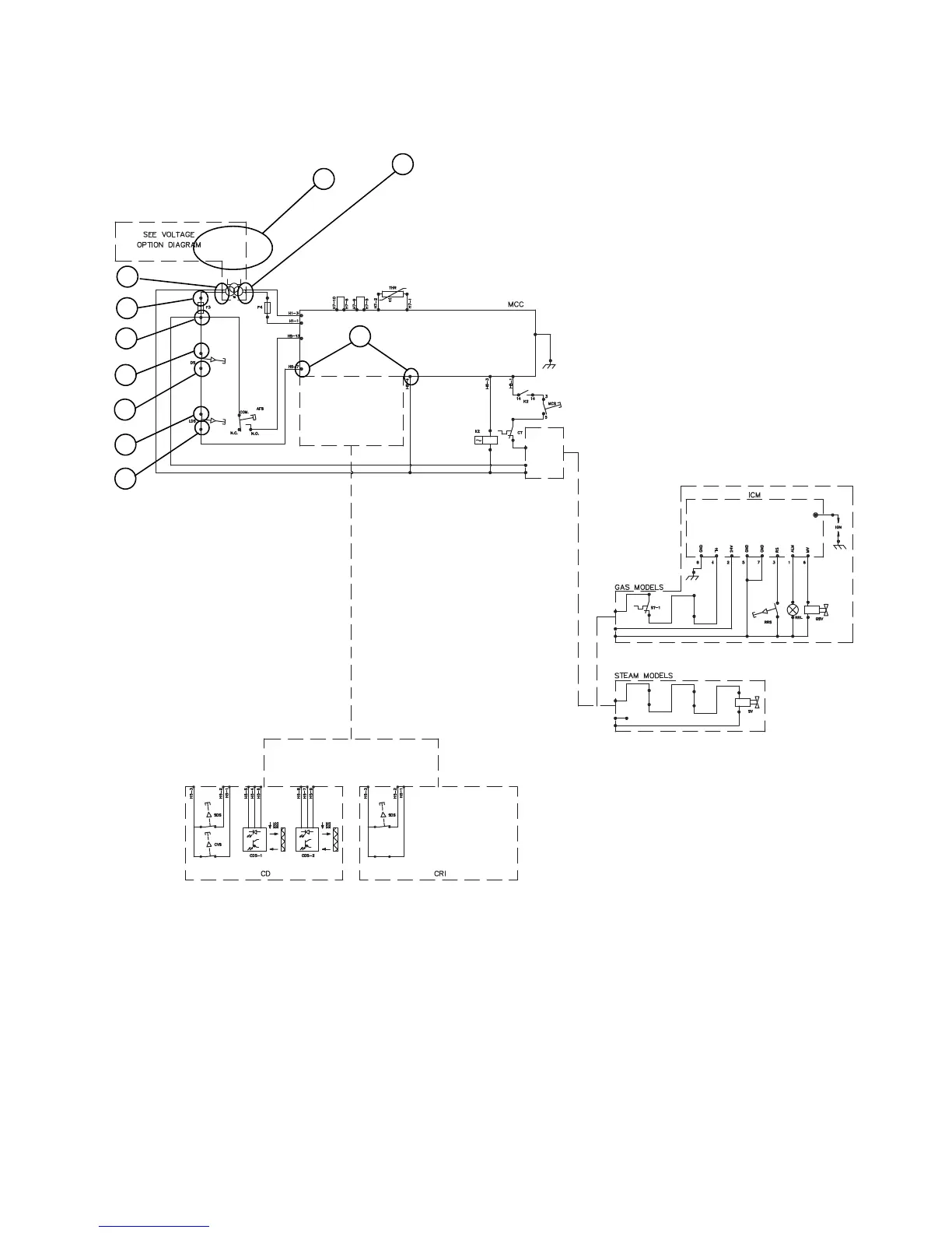
Quantum Control Troubleshooting
CE Models “Door Open” Indicator
TMB2287S
3
6
5
2
1
4
10
9
8
7
TMB2287S

Table of Contents