EasyManua.ls Logo

Alliance Laundry Systems CA050L - Page 176

Alliance Laundry Systems CA050L
176 pages
Print Icon
To Previous Page IconTo Previous Page
To Previous Page IconTo Previous Page
Loading...
174 70422101
© Copyright, Alliance Laundry Systems LLC – DO NOT COPY or TRANSMIT
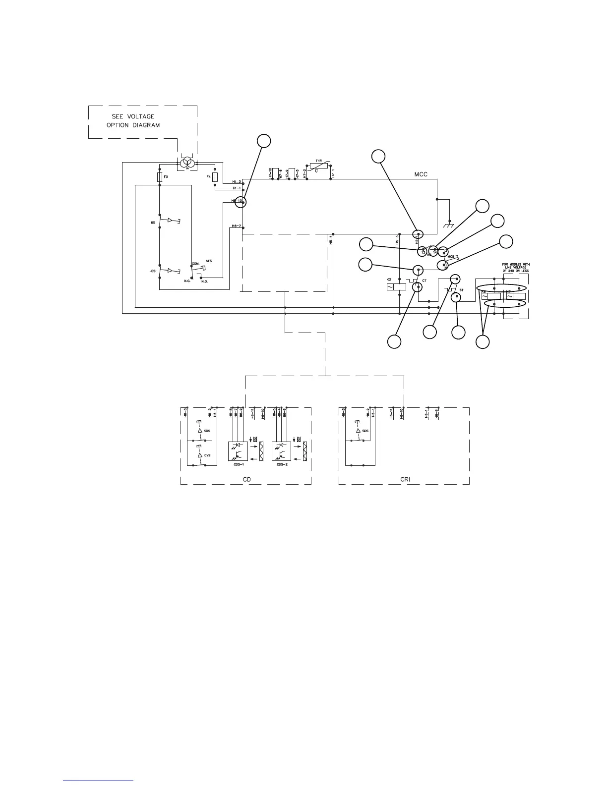
Quantum Control Troubleshooting
CE Models Will Not Heat – Electric
TMB2293S
2
3
5
6
11
1
7
4
9
8
10
TMB2293S

Table of Contents

Related product manuals