EasyManua.ls Logo

Alliance Laundry Systems CA050L - Page 64

Alliance Laundry Systems CA050L
176 pages
Print Icon
To Next Page IconTo Next Page
To Next Page IconTo Next Page
To Previous Page IconTo Previous Page
To Previous Page IconTo Previous Page
Loading...
62 70422101
© Copyright, Alliance Laundry Systems LLC – DO NOT COPY or TRANSMIT
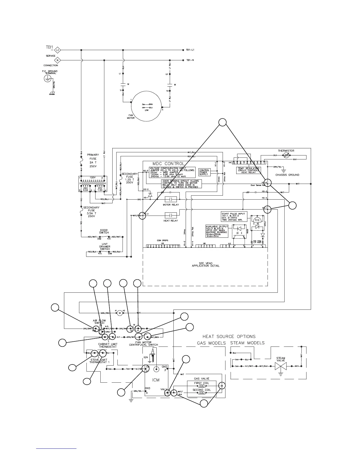
Micro Display Control (MDC) Troubleshooting
Unit Will Not Heat – Gas
TMB2329S
4
3
5
6
7
8
1
9
11
10
2
14
13
15
12
TMB2329S

Table of Contents

Related product manuals