EasyManua.ls Logo

Alliance Laundry Systems CA050L - Section 6 - NetMaster Troubleshooting - KT075 Models Only

Alliance Laundry Systems CA050L
176 pages
Print Icon
To Next Page IconTo Next Page
To Next Page IconTo Next Page
To Previous Page IconTo Previous Page
To Previous Page IconTo Previous Page
Loading...
68 70422101
© Copyright, Alliance Laundry Systems LLC – DO NOT COPY or TRANSMIT
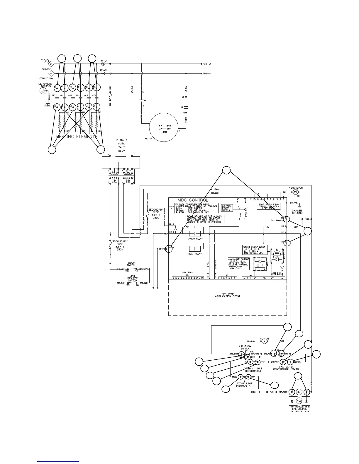
Micro Display Control (MDC) Troubleshooting
Unit Will Not Heat – Electric
TMB2330S
TMB2330S
4
3
5
7
8
1
10
2
9
6
11
12
13
15
14
18
16
17

Table of Contents

Related product manuals