EasyManua.ls Logo

Alliance Laundry Systems CA050L - Page 83

Alliance Laundry Systems CA050L
176 pages
Print Icon
To Next Page IconTo Next Page
To Next Page IconTo Next Page
To Previous Page IconTo Previous Page
To Previous Page IconTo Previous Page
Loading...
70422101 81
© Copyright, Alliance Laundry Systems LLC – DO NOT COPY or TRANSMIT
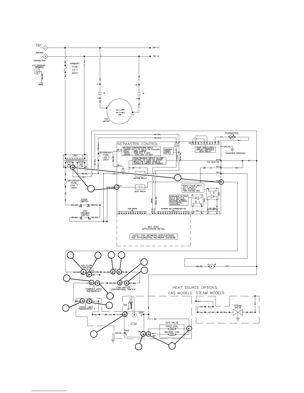
NetMaster Troubleshooting – KT075 Models Only
Unit Will Not Heat – Gas
TMB2331S
5
6
1
3
4
8
2
7
10
9
12
11
13
14
15
TMB2331S

Table of Contents

Related product manuals