EasyManua.ls Logo

Alliance Laundry Systems CA050L - Page 92

Alliance Laundry Systems CA050L
176 pages
Print Icon
To Next Page IconTo Next Page
To Next Page IconTo Next Page
To Previous Page IconTo Previous Page
To Previous Page IconTo Previous Page
Loading...
90 70422101
© Copyright, Alliance Laundry Systems LLC – DO NOT COPY or TRANSMIT
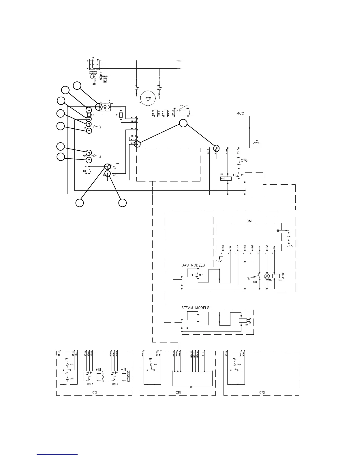
NetMaster Troubleshooting – KT075 Models Only
CE Models “Door Open” Indicator
TMB2336S
9
10
5
6
7
1
3
4
8
2
TMB2336S

Table of Contents

Related product manuals